开关电源电路、电源装置和车载摄像头的制作方法

本技术实施例涉及电力电子的,尤其涉及一种开关电源电路、电源装置和车载摄像头。
背景技术:
1、在汽车的摄相头电源中,由于寄生参数的存在,开关电源电路在开关动作瞬间会产生开关振铃。开关电源电路包括上开关管和下开关管,上开关管和下开关管的连接点作为开关电源电路的开关节点。图1为现有技术提供的一种开关节点的波形仿真图。其中,横坐标为时间,纵坐标为开关节点的电压。如图1所示,在上开关管动作瞬间有不同程度的振铃,使得开关管承受的电压容易超过其耐压值而发生击穿,降低了开关电源电路的可靠性。而且,开关振铃的频率远大于开关管的动作频率,并伴随着很高的dv/dt,容易导致开关电源电路具有很强的电磁干扰(electromagnetic interference,emi),最终导致开关电源电路所在的终端产品无法通过emi标准测试,更严重时甚至会干扰开关电源电路自身的信号电路或临近的其他功能电路的正常工作。
2、现有技术中,可以采用lc滤波电路进行滤波。此时lc滤波电路的占用面积比较大,容易增加开关电源电路的面积,同时lc滤波电路对高频的emi抑制效果比较差,改善开关振铃的效果不理想。
技术实现思路
1、本实用新型提供一种开关电源电路、电源装置和车载摄像头,以改善开关振铃的现象。
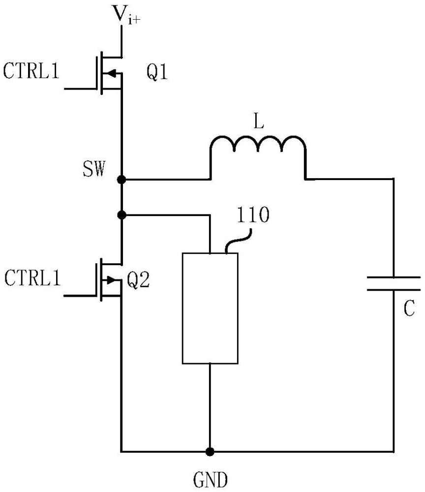
2、第一方面,本实用新型实施例提供了一种开关电源电路,包括第一电源开关、第二电源开关和至少一个放电单元;
3、所述第一电源开关的控制端和所述第二电源开关的控制端用于输入控制信号,所述第一电源开关的第一端与电源正输入端连接,所述第一电源开关的第二端与所述第二电源开关的第一端连接,并作为所述开关电源电路的开关节点;所述第二电源开关的第二端与接地端连接;至少一个所述放电单元连接于所述开关节点和所述接地端之间。
4、可选地,所述放电单元包括电容和电阻;
5、所述电容的第一极与所述开关节点连接,所述电容的第二极与所述电阻的第一端连接,所述电阻的第二端与所述接地端连接。
6、可选地,所述电阻的阻值大于等于等效感抗与等效容抗比值的均方根的一半;其中,所述等效感抗为所述第一电源开关和所述第二电源开关与所述电源正输入端和电源负输入端组成的回路的等效电感,所述等效容抗为所述第一电源开关和所述第二电源开关与所述电源正输入端和所述电源负输入端组成的回路的等效电容。
7、可选地,至少一个所述放电单元包括第一放电单元和第二放电单元;所述第一放电单元和所述第二放电单元并联连接于所述开关节点和所述接地端之间。
8、可选地,所述第一放电单元包括第一电阻和第一电容,所述第二放电单元包括第二电阻和第二电容;
9、所述第一电阻与所述第一电容串联连接后,连接于所述开关节点和所述接地端之间;所述第二电阻与所述第二电容串联连接后,连接于所述开关节点和所述接地端之间;所述第一电阻的阻值与所述第二电阻的阻值的倒数之和大于等于等效感抗与等效容抗比值的均方根的一半;其中,所述等效感抗为所述第一电源开关和所述第二电源开关与所述电源正输入端和电源负输入端组成的回路的等效电感,所述等效容抗为所述第一电源开关和所述第二电源开关与所述电源正输入端和所述电源负输入端组成的回路的等效电容。
10、可选地,所述第一电阻的阻值与所述第二电阻的阻值相等。
11、可选地,所述第一电容的容值与所述第二电容的容值相等。
12、第二方面,本实用新型实施例还提供了一种电源装置,包括第一方面所述的开关电源电路。
13、第三方面,本实用新型实施例还提供了一种车载摄像头,包括第一方面所述的电源装置。
14、本实用新型实施例的技术方案,通过在开关节点和接地端之间设置至少一个放电单元,放电单元可以对高频振铃提供放电回路,从而可以抑制高频振铃的幅值,进而可以改善开关电源电路的振铃现象,提高开关电源电路的性能。
技术特征:
1.一种开关电源电路,其特征在于,包括第一电源开关、第二电源开关和至少一个放电单元;
2.根据权利要求1所述的开关电源电路,其特征在于,所述放电单元包括电容和电阻;
3.根据权利要求2所述的开关电源电路,其特征在于,所述电阻的阻值大于等于等效感抗与等效容抗比值的均方根的一半;其中,所述等效感抗为所述第一电源开关和所述第二电源开关与所述电源正输入端和电源负输入端组成的回路的等效电感,所述等效容抗为所述第一电源开关和所述第二电源开关与所述电源正输入端和所述电源负输入端组成的回路的等效电容。
4.根据权利要求1-3任一项所述的开关电源电路,其特征在于,至少一个所述放电单元包括第一放电单元和第二放电单元;所述第一放电单元和所述第二放电单元并联连接于所述开关节点和所述接地端之间。
5.根据权利要求4所述的开关电源电路,其特征在于,所述第一放电单元包括第一电阻和第一电容,所述第二放电单元包括第二电阻和第二电容;
6.根据权利要求5所述的开关电源电路,其特征在于,所述第一电阻的阻值与所述第二电阻的阻值相等。
7.根据权利要求5所述的开关电源电路,其特征在于,所述第一电容的容值与所述第二电容的容值相等。
8.一种电源装置,其特征在于,包括权利要求1-7任一项所述的开关电源电路。
9.一种车载摄像头,其特征在于,包括权利要求8所述的电源装置。
技术总结
本技术公开了一种开关电源电路、电源装置和车载摄像头。该开关电源电路包括第一电源开关、第二电源开关和至少一个放电单元;第一电源开关的控制端和第二电源开关的控制端用于输入控制信号,第一电源开关的第一端与电源正输入端连接,第一电源开关的第二端与第二电源开关的第一端连接,并作为开关电源电路的开关节点;第二电源开关的第二端与接地端连接;至少一个放电单元连接于开关节点和接地端之间。放电单元可以对高频振铃提供放电回路,从而可以抑制高频振铃的幅值,进而可以改善开关电源电路的振铃现象,提高开关电源电路的性能。
技术研发人员:王道金
受保护的技术使用者:嘉兴行适安车联网信息科技有限公司
技术研发日:20231229
技术公布日:2024/8/21
技术研发人员:王道金
技术所有人:嘉兴行适安车联网信息科技有限公司
备 注:该技术已申请专利,仅供学习研究,如用于商业用途,请联系技术所有人。
声 明 :此信息收集于网络,如果你是此专利的发明人不想本网站收录此信息请联系我们,我们会在第一时间删除
