一种胃管固定带制作装置的制作方法

本技术涉及医疗器械,尤其是涉及一种胃管固定带制作装置。
背景技术:
1、胃管(鼻胃管,鼻饲管喂食),是由鼻孔插入,经由咽部,通过食管到达胃部,多是用来抽胃液,也可以用来往胃里注入液体提供给患者必须的食物和营养。胃管在使用过程中,需要对其经行良好的固定,防止胃管脱出,导致误吸。
2、现有的胃管固定带,贴合面积大,容易脱落,且佩戴舒适度差。
3、因此,如何解决胃管固定带固定不牢固,贴合面积大,皮肤接触区域大,佩戴的舒适度较差成为本领域技术人员急需解决的技术问题。
技术实现思路
1、鉴于此,本实用新型针对现有技术的不足,提出了一种胃管固定带制作装置,旨在解决胃管固定带固定不牢固,贴合面积大,皮肤接触区域大,佩戴的舒适度较差的问题。
2、一个方面,本实用新型提供了一种胃管固定带制作装置,包括:
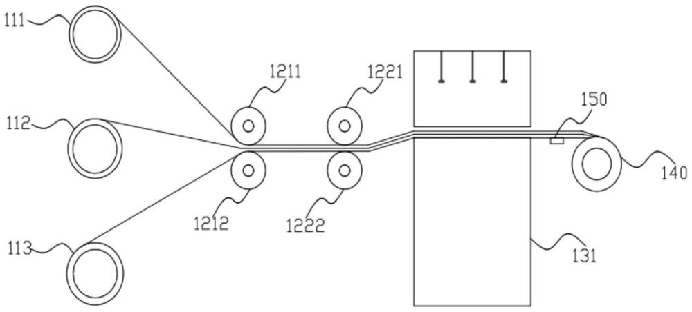
3、放卷部,所述放卷部包括固定带基材放卷辊、胶条放卷辊和防粘层放卷辊,所述固定带基材放卷辊、所述胶条放卷辊和所述防粘层放卷辊沿竖直方向排列,且所述胶条放卷辊位于所述固定带基材放卷辊和所述防粘层放卷辊之间,所述放卷部用于输出固定带基材、胶条和防粘层;
4、热压合部,所述热压合部位于所述放卷部的输出端,所述热压合部包括沿所述固定带基材放卷辊、所述胶条放卷辊和所述防粘层放卷辊的输送方向依次设置的定位辊组和热压复合辊组,所述定位辊组用于接收从所述放卷部输出的所述固定带基材、所述胶条和所述防粘层并对所述固定带基材、所述胶条和所述防粘层进行定位,且所述放卷部输出的所述固定带基材、所述胶条和所述防粘层均从所述定位辊组之间穿过,所述热压复合辊组用于将所述定位辊组定位完成的所述固定带基材、所述胶条和所述防粘层热压复合并输出复合固定带;
5、切割部,所述切割部位于所述热压合部远离所述放卷部的一侧,所述切割部用于对所述复合固定带切割;
6、收卷部,所述收卷部位于所述切割部远离所述热压合部的一侧,所述收卷部用于接收、卷取和储存已经切割好的胃管固定带。
7、进一步地,所述切割部包括:
8、切割台,设置在所述热压合部远离所述放卷部的一侧,所述切割台的高度高于所述复合固定带的输出高度;
9、y形切割刀,设置在所述热压复合辊组远离所述定位辊组的一侧,所述y形切割刀沿所述复合固定带传送方向呈y字形状,所述y形切割刀用于切割出所述胃管固定带内部的y字形;
10、弧形切割刀,设置在所述y形切割刀远离所述热压复合辊组的一侧,所述弧形切割刀沿所述复合固定带传送方向呈弧形,所述弧形切割刀用于切割所述胃管固定带一端边缘的弧形;
11、一字形切割刀,设置在所述弧形切割刀远离所述y形切割刀一侧,所述一字形切割刀沿所述复合固定带传送方向呈一字型,所述一字形切割刀用于切割所述胃管固定带另一端的边缘部分。
12、进一步地,在切割时,所述y形切割刀、所述弧形切割刀和所述一字形切割刀依次对所述复合固定带进行切割,所述y形切割刀、所述弧形切割刀和所述一字形切割刀采用相同的切割时间间隔。
13、进一步地,所述弧形切割刀和所述一字形切割刀均为虚线切割刀。
14、进一步地,所述固定带基材放卷辊、所述胶条放卷辊和所述防粘层放卷辊自上而下依次排列,或者,所述防粘层放卷辊、所述胶条放卷辊和所述固定带基材放卷辊自上而下依次排列。
15、进一步地,还包括:
16、张紧部,所述张紧部位于所述切割部与所述收卷部中间,所述张紧部用于在所述切割部和所述放卷部之间保持所述复合固定带的张力。
17、进一步地,还包括,
18、检测部,所述检测部位于所述收卷部远离所述切割部的一侧,所述检测部用于对切割完成的所述胃管固定带检查。
19、进一步地,所述固定带基材、所述胶条和所述防粘层的宽度相同。
20、进一步地,所述定位辊组包括上定位辊和下定位辊。
21、进一步地,所述热压复合辊组包括上热压复合辊和下热压复合辊。
22、与现有技术相比,本实用新型的有益效果在于,通过放卷部、热压合部、切割部和收卷部的有序配合,该实现胃管固定带的自动化生产,提高了生产效率。本实用新型的胃管固定带固定牢固,贴合面积小,只用对鼻子和耳朵进行固定,有助于减轻患者的不适感,减少皮肤接触区域,降低过敏或擦伤的风险,提高了佩戴的舒适度。
技术特征:
1.一种胃管固定带制作装置,其特征在于,包括:
2.根据权利要求1所述的胃管固定带制作装置,其特征在于,所述切割部包括:
3.根据权利要求2所述的胃管固定带制作装置,其特征在于,在切割时,所述y形切割刀、所述弧形切割刀和所述一字形切割刀依次对所述复合固定带进行切割,所述y形切割刀、所述弧形切割刀和所述一字形切割刀采用相同的切割时间间隔。
4.根据权利要求2所述的胃管固定带制作装置,其特征在于,所述弧形切割刀和所述一字形切割刀均为虚线切割刀。
5.根据权利要求1所述的胃管固定带制作装置,其特征在于,所述固定带基材放卷辊、所述胶条放卷辊和所述防粘层放卷辊自上而下依次排列,或者,所述防粘层放卷辊、所述胶条放卷辊和所述固定带基材放卷辊自上而下依次排列。
6.根据权利要求1所述的胃管固定带制作装置,其特征在于,还包括:
7.根据权利要求1所述的胃管固定带制作装置,其特征在于,还包括,
8.根据权利要求1所述的胃管固定带制作装置,其特征在于,所述固定带基材、所述胶条和所述防粘层的宽度相同。
9.根据权利要求1所述的胃管固定带制作装置,其特征在于,所述定位辊组包括上定位辊和下定位辊。
10.根据权利要求1所述的胃管固定带制作装置,其特征在于,所述热压复合辊组包括上热压复合辊和下热压复合辊。
技术总结
本技术涉及医疗器械技术领域,具体公开一种胃管固定带制作装置,包括:放卷部,热压合部,切割部和收卷部。本技术的胃管固定带制作装置通过放卷部、热压合部、切割部和收卷部的有序配合,该实现胃管固定带的自动化生产,提高了生产效率。本技术的胃管固定带固定牢固,贴合面积小,只用对鼻子和耳朵进行固定,有助于减轻患者的不适感,减少皮肤接触区域,降低过敏或擦伤的风险,提高了佩戴的舒适度。
技术研发人员:朱亚男,赵晨曦
受保护的技术使用者:保定市第一中心医院
技术研发日:20231120
技术公布日:2024/9/2
技术研发人员:朱亚男,赵晨曦
技术所有人:保定市第一中心医院
备 注:该技术已申请专利,仅供学习研究,如用于商业用途,请联系技术所有人。
声 明 :此信息收集于网络,如果你是此专利的发明人不想本网站收录此信息请联系我们,我们会在第一时间删除
