供电确认机制电路及电子设备的制作方法

本公开涉及电子电路,尤其涉及一种供电确认机制电路及电子设备。
背景技术:
1、电脑支持市电交流电源经适配器转换为直流供电,储能电池直流供电或者市电交流电源经适配器转直流后与电池混合供电。电脑系统以电池某一个引脚是否接入做为直流电源是否存在的判断依据。
2、但是该引脚接入只能代表电池实物接入,不等同于电池一定有输出电压具备供电能力;若设备中的电池因各种场景如空电、过放、fw update、电池功能异常(如cudeposition、fuse blow、d-fet异常关闭……)不再具备供电能力,但是系统软体依然认为当前设备可以混合供电就会发生多种问题,导致开机异常、重启异常、开机卡顿、重启卡顿、甚至导致设备异常断电等。
技术实现思路
1、本公开提供了一种供电确认机制电路及电子设备,以至少解决现有技术中存在的以上技术问题。
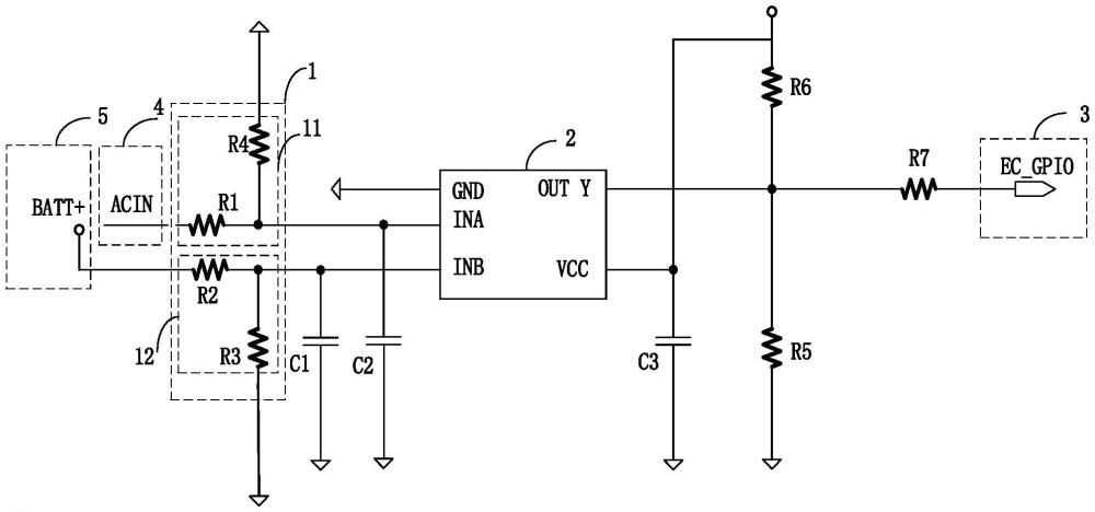
2、根据本公开的第一方面,提供了一种供电确认机制电路,所述电路包括:转换处理电路、逻辑电路以及电源管理电路;
3、所述转换处理电路与所述逻辑电路的输入端连接,所述逻辑电路的输出端与所述电源管理电路的输入端连接;
4、所述转换处理电路用于对接收到电源电压进行处理转换,并将转换处理后的电压输出至所述逻辑电路;
5、所述逻辑电路用于根据转换处理后的电压生成逻辑信号;
6、所述电源管理电路用于根据所述逻辑信号确认当前供电情况并切换相应的电源设置,该电源设置包括但不限于开启或关闭charger ic的混合动力增压模式。在一可实施方式中,还包括:第一电源电路;
7、所述第一电源电路的输出端与所述转换处理电路的输入端连接;
8、所述第一电源电路的输入端接入设备电路板的第一电源电压,并将所述第一电源电压输入所述转换处理电路。
9、在一可实施方式中,所述转换处理电路还包括:第一转换处理电路;
10、所述第一转换处理电路的输出端与所述逻辑电路的第一输入端连接;
11、所述第一转换处理电路用于对接收的第一电源电压进行转换处理以达到逻辑电路的输入标准,得到第一电压,并将第一电压输入所述逻辑电路的第一输入端。在一可实施方式中,还包括:第二电源电路;
12、所述第二电源电路的输出端与所述转换处理电路的输入端连接;
13、所述第二电源电路的输入端接入第二电源电压,并输送至转换处理电路。在一可实施方式中,所述转换处理电路包括:第二转换处理电路;
14、所述第二转换处理电路的输出端与所述逻辑电路的第二输入端连接;
15、所述第二转换处理电路用于对接收的第二电源电压进行转换处理以达到逻辑电路的输入标准,得到第二电压,并将第二电压输入所述逻辑电路的第二输入端。在一可实施方式中,所述逻辑电路包括与非门电路;所述与非门电路包括第一输入端和第二输入端;
16、所述与非门电路的第一输入端接收所述第一电压;
17、所述与非门电路的第二输入端接收所述第二电压;
18、所述与非门电路将第一电压、第二电压分别与预设的电压阈值进行对比,得到第一信号和第二信号,并基于所述第一信号和第二信号得到逻辑信号。
19、在一可实施方式中,基于所述第一信号和第二信号得到逻辑信号,包括:当第一信号和第二信号均符合电压阈值时,所述与非门电路输出第一逻辑信号;当第一信号或第二信号符合电压阈值时,所述与非门电路输出第二逻辑信号。在一可实施方式中,根据所述逻辑信号确认当前供电能力,包括:
20、根据所述第一逻辑信号得知当前第一电源电路和第二电源电路均具备供电能力,电源管理电路开启charger ic混合动力增压模式或者其他相关设置来增强动力;根据所述第二逻辑信号确认当前仅第一电源电路或仅第二电源电路具备供电能力,电源管理电路关闭charger ic混合动力增压模式或者其他关闭增强混合动力的设置。
21、在一可实施方式中,所述转换处理电路包括:多个串联连接的电阻,多个电阻用于对电源电压进行分压,形成第一电压/第二电压;电感、电容、开关组合成boost升压电路对电源电压进行升压转换形成第一电压/第二电压;电容、电感、二极管组合整流滤波电路对电源电压进行整流滤波形成第一电压/第二电压。根据本公开的第一方面,提供了一种电子设备,应用上述任一实施例所述的供电确认机制电路。
22、本公开的供电确认机制电路及电子设备,本申请通过将直流源处理转换后的电压和交流源经适配器ac转dc输入设备后的板端电压做为逻辑电路的两个输入端,逻辑电路根据输入的电压值确定逻辑信号,电源管理电路根据逻辑信号就可以判断当前供电模式切换相应设置。通过本申请提供的硬件电路可以根据转换处理电路输出的电压指征安装进设备的储能电池是否供电,进而判断设备是否具备混合动力增压模式的开启条件。该方式更加精确且迅速,且适用于任何一种场景下的电池无输出不具备供电能力的情况,迅速切换设备供电设置。应当理解,本部分所描述的内容并非旨在标识本公开的实施例的关键或重要特征,也不用于限制本公开的范围。本公开的其它特征将通过以下的说明书而变得容易理解。
技术特征:
1.一种供电确认机制电路,其特征在于,所述电路包括:转换处理电路、逻辑电路以及电源管理电路;
2.根据权利要求1所述的供电确认机制电路,其特征在于,还包括:第一电源电路;
3.根据权利要求2所述的供电确认机制电路,其特征在于,所述转换处理电路包括:第一转换处理电路;
4.根据权利要求1所述的供电确认机制电路,其特征在于,还包括:第二电源电路;
5.根据权利要求4所述的供电确认机制电路,其特征在于,所述转换处理电路还包括:第二转换处理电路;
6.根据权利要求3所述的供电确认机制电路,其特征在于,所述逻辑电路包括与非门电路;所述与非门电路包括第一输入端和第二输入端;
7.根据权利要求6所述的供电确认机制电路,其特征在于,基于所述第一信号和第二信号得到逻辑信号,包括:
8.根据权利要求7所述的供电确认机制电路,其特征在于,根据所述逻辑信号确认当前供电能力,包括:
9.根据权利要求1所述的供电确认机制电路,其特征在于,
10.一种电子设备,其特征在于,应用如权利要求1-9任一项所述的供电确认机制电路。
技术总结
本公开提供了一种供电确认机制电路及电子设备,所述电路包括转换处理电路、逻辑电路以及电源管理电路;转换处理电路与所述逻辑电路的输入端连接,逻辑电路的输出端与所述电源管理电路的输入端连接;转换处理电路用于对接收到电源电压进行转换处理以达到逻辑电路的输入标准,并将转换后的电压输出至逻辑电路;逻辑电路用于根据转换处理后的电压输入生成逻辑信号;电源管理电路用于根据所述逻辑信号确认当前供电模式并切换相应的电源设置。
技术研发人员:常霞,李进
受保护的技术使用者:合肥联宝信息技术有限公司
技术研发日:
技术公布日:2024/9/2
技术研发人员:常霞,李进
技术所有人:合肥联宝信息技术有限公司
备 注:该技术已申请专利,仅供学习研究,如用于商业用途,请联系技术所有人。
声 明 :此信息收集于网络,如果你是此专利的发明人不想本网站收录此信息请联系我们,我们会在第一时间删除
