一种具有旋转定位及解锁分离功能的空间集成机构的制作方法

本发明涉及深空探测,具体涉及一种具有旋转定位及解锁分离功能的空间集成机构。
背景技术:
1、对地外空间的探索已成为大国间科技力量角逐的新阵地,尤其是对地外星球的着陆探测,更能代表着国家和民族的创新力量。目前为止,对地外星体的探索都以获得地外星体的土壤为首要目标,常见的有机械臂挖铲采样和钻具钻进采样,不管哪种采样方式,都有故障卡滞风险(埋于星表卡滞,探测器将发生灾难性故障),由于空间布局,深空探测器采样装置初始位置为水平位(平行于星表),需要将深空探测器采样装置旋转到竖直位置;同时,深空探测器采样装置有故障卡滞的风险,深空探测器为摆脱深空探测器采样装置卡滞,需将深空探测器采样装置解锁分离。目前空间机构产品的分离功能多由火工品点火分离实现,而旋转定位功能多由驱动机构实现单自由度转动实现,这种分功能设计导致机构组件冗余多,系统重量大,难以满足空间机构轻量化要求。
技术实现思路
1、有鉴于此,本发明提供了一种具有旋转定位及解锁分离功能的空间集成机构,解决了现有技术中深空探测器的火工分离+驱动机构组合装置实现旋转和解锁分离功能而导致空间机构产品重量过大的技术问题。
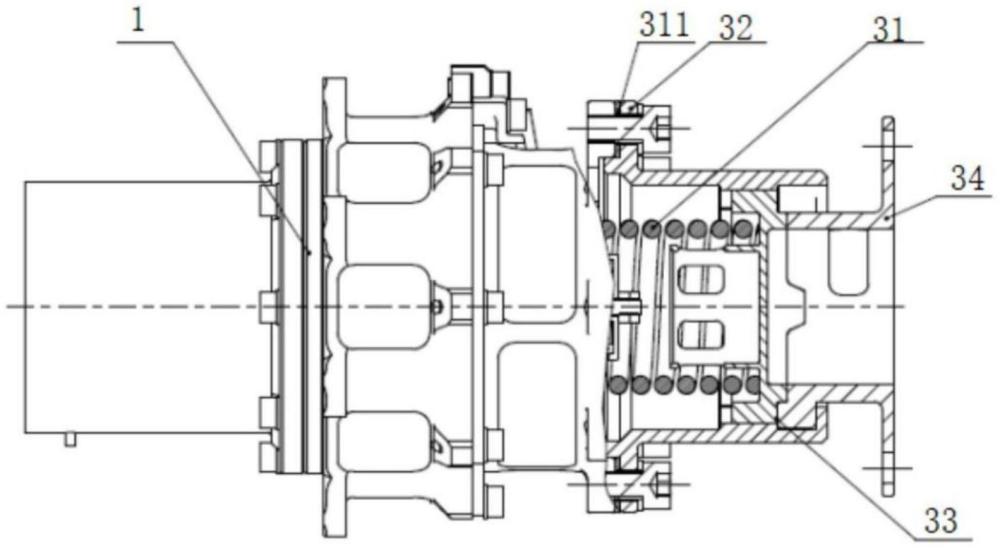
2、根据本发明的一个方面,本发明提供了一种具有旋转定位及解锁分离功能的空间集成机构,外置的采样装置通过该空间集成机构与深空探测器主体相连,空间集成机构包括:驱动组件;旋转定位组件,所述旋转定位组件与所述驱动组件固定连接,且所述旋转定位组件设置在所述驱动组件内,所述驱动组件用于驱动所述旋转定位组件转动;解锁组件,所述解锁组件包括解锁弹簧,解锁壳体,所述解锁壳体与所述旋转定位组件固定连接,解锁花键棘轮,所述解锁花键棘轮装配在所述解锁壳体内,解锁棘轮,所述解锁棘轮与所述解锁花键棘轮装配,且所述解锁棘轮与所述解锁壳体固定连接,所述解锁弹簧的一端设置在所述解锁花键棘轮上,所述解锁弹簧的另一端安装在所述旋转定位组件上;其中,当深空探测器采样装置采样时,所述驱动组件驱动所述旋转定位组件以及所述解锁组件一同旋转,实现采样装置旋转至工作位置并定位;当深空探测器采样装置采样时卡滞,驱动组件驱动旋转定位组件继续转动,解锁组件因采样卡滞无法转动,解锁组件的解锁棘轮与解锁花键棘轮解锁分离,实现深空探测器与采样装置分离,确保探测器安全,保证任务连续。其利用单一动力源实现空间机构的旋转定位及解锁分离功能的复用,通过设置旋转定位组件以及解锁组件,实现了深空探测器采样装置的旋转定位与解锁分离功能复用,空间集约,系统重量轻,可以满足空间机构轻量化的要求,并且当深空探测器采样卡滞,其解锁组件的解锁棘轮与解锁花键棘轮解锁分离,深空探测器和外置的采样装置可以及时进行解锁分离,保证探测器安全且任务连续。
3、在一种可能的实现方式中,所述解锁壳体包括:至少一个第二螺纹孔,至少一个所述第二螺纹孔均匀的开设在所述解锁壳体的一端的端面上,端面朝向所述解锁壳体外的方向延伸;矩形键槽,所述矩形键槽均匀开设在所述解锁壳体的内壁上,所述矩形键槽沿所述解锁壳体延伸的方向开设;限位挡板,所述限位挡板设置在所述解锁壳体的另一端,所述限位挡板朝向所述解锁壳体内的方向延伸。
4、在一种可能的实现方式中,所述解锁花键棘轮包括:棘轮凸起,所述棘轮凸起设置在所述解锁花键棘轮的一端,所述棘轮凸起沿所述解锁花键棘轮延伸方向设置;矩形键,所述矩形键设置在所述解锁花键棘轮的外壁,所述矩形键与所述矩形键槽装配;安装柱,所述安装柱设置在所述解锁花键棘轮的另一端,所述解锁弹簧的一端配合安装在所述安装柱上。
5、在一种可能的实现方式中,所述解锁棘轮包括:限位块,所述限位块设置在所述解锁棘轮一端的外壁,所述限位块与所述解锁壳体的限位挡板相配合;棘轮凹槽,所述棘轮凹槽开设在所述解锁棘轮的一端的端面上,所述棘轮凹槽与所述解锁花键棘轮的棘轮凸起相配合;第三螺纹孔,所述第三螺纹孔开设在所述解锁棘轮的另一端的端面上,所述解锁棘轮的另一端沿所述解锁棘轮的外部方向延伸。
6、在一种可能的实现方式中,所述驱动组件包括:步进电机,谐波减速器;传动键,所述步进电机与所述谐波减速器通过所述传动键传动连接;输出轴,所述输出轴固定连接在所述步进电机以及所述谐波减速器上;壳体,所述壳体设置在所述输出轴的外部。
7、在一种可能的实现方式中,所述旋转定位组件包括:旋变;旋变插针,所述旋变的转子的中心安装在所述旋变插针上;旋变定子支架,所述旋变定子支架的一端与所述旋变的定子相连,所述旋变定子支架的另一端固定连接在所述壳体上;输出支架,所述解锁弹簧的另一端安装在所述输出支架上,所述输出支架的一端固定连接在所述输出轴上,所述旋变插针的另一端的端部与所述输出支架相连,所述输出支架另一端向外延伸的端面上开设有至少一个第一螺纹孔,至少一个所述第一螺纹孔与至少一个所述第二螺纹孔一一对应。
8、在一种可能的实现方式中,所述步进电机包括电机第一垫片以及电机第二垫片,所述电机第一垫片以及所述电机第二垫片设置在所述步进电机与所述谐波减速器的连接处;所述谐波减速器包括谐波第一垫片以及谐波第二垫片,所述谐波第一垫片以及所述谐波第二垫片设置在所述谐波减速器与所述输出轴的连接处。
9、在一种可能的实现方式中,所述旋变插针包括旋变垫片、旋变密封圈、旋变输出垫片以及旋变输出密封圈,所述旋变垫片以及所述旋变密封圈设置在所述旋变与所述旋变插针的连接处的一端;所述旋变输出垫片以及所述旋变输出密封圈设置在所述旋变与所述旋变插针的连接处的另一端。
10、在一种可能的实现方式中,所述输出轴包括:轴承外盖,所述轴承外盖设置在所述输出轴的一端;轴承内套,所述轴承内套设置在所述输出轴的径向外侧;轴承外套,所述轴承外套设置在所述轴承内套的径向外侧;输出轴密封圈,所述输出轴密封圈设置在所述轴承外盖与所述输出支架的连接处。
11、本发明提供了一种具有旋转定位及解锁分离功能的空间集成机构,外置的采样装置通过该空间集成机构与深空探测器主体相连,空间集成机构包括:驱动组件;旋转定位组件,旋转定位组件与驱动组件固定连接,且旋转定位组件设置在驱动组件内,驱动组件用于驱动旋转定位组件转动;解锁组件,解锁组件包括解锁弹簧,解锁壳体,解锁壳体与旋转定位组件固定连接,解锁花键棘轮,解锁花键棘轮装配在解锁壳体内,解锁棘轮,解锁棘轮与解锁花键棘轮装配,且解锁棘轮与解锁壳体固定连接,解锁弹簧的一端设置在解锁花键棘轮上,解锁弹簧的另一端固定连接在驱动组件上;其中,当深空探测器采样时,驱动组件驱动旋转定位组件以及解锁组件旋转;当深空探测器采样时卡滞,驱动组件驱动旋转定位组件转动,解锁组件不转动,解锁棘轮与解锁花键棘轮解锁分离。本发明利用单一动力源实现空间机构的旋转定位及解锁分离功能的复用,通过设置旋转定位组件以及解锁组件,实现了深空探测器的旋转定位与解锁分离功能复用,空间集约,系统重量轻,可以满足空间机构轻量化的要求,并且当深空探测器采样卡滞,其解锁组件的解锁棘轮与解锁花键棘轮解锁分离,实现深空探测器与外置采样装置可以及时进行解锁分离,保证探测器安全且任务连续。
技术研发人员:王晓光,薛江红,杨旭,刘雅芳,孔旭,刘畅
技术所有人:天津航天机电设备研究所
备 注:该技术已申请专利,仅供学习研究,如用于商业用途,请联系技术所有人。
声 明 :此信息收集于网络,如果你是此专利的发明人不想本网站收录此信息请联系我们,我们会在第一时间删除
