一种单发直升机的双螺旋桨装置的制作方法

一、本发明属于直升机生产。
背景技术:
0、二、背景技术
1、现有单发直升机采用铰链结构控制桨叶偏转,螺旋桨桨叶在上、发动机在下、加尾翼结构布局,螺旋桨旋转产生升力,尾翼控制方向和机身稳定,使用总距操纵杆和操纵杆操控直升机飞行。存在的问题有:1.桨叶无保护设施,裸露在外,容易受到损坏,飞行空间受到很大限制;2.直升机不容易驾驶。
技术实现思路
0、三、
技术实现要素:
1、(一)本发明所要解决的技术问题是:1.如何给螺旋桨桨叶安装防护装置;2.如何改进直升机的驾驶方式,使驾驶直升机更容易。
2、(二)采用的技术方案是:
3、1.使用一台发动机带动两个螺旋桨旋转,两个螺旋桨直径相同、左右对称布局,也可前后对称布局,旋转方向相反,向下吹风时稳定产生升力;采用电机控制风摆,风摆改变一侧螺旋桨向前或向后的喷气方向,即可产生向后或向前的推力,使直升机左转弯或右转弯;两个风摆同时改变两个螺旋桨向前或向后喷气方向,即可使直升机向前或向后飞行。两个螺旋桨前后对称布局时,每个螺旋桨的风摆分成左右两部分,动力结构、控制方式等基本一样。
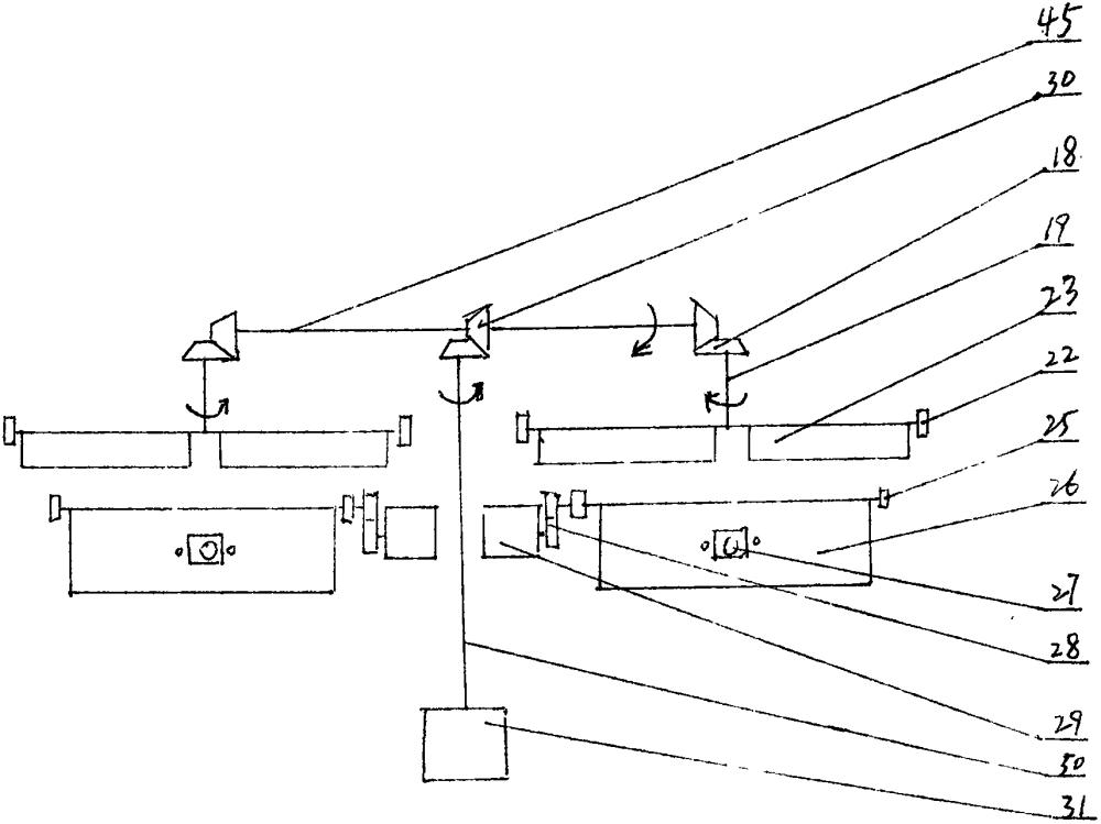
4、2.支架呈“t”形,双立柱,作为桨叶的防护装置,支架底部焊接带孔的底座,底座安装在机身顶部,支架相对于机身左右对称;两侧横担打传动轴孔、轴承座安装孔、十字环形轨道安装孔,支架中心打动力轴孔;支架两侧、横担两端悬架下方设置风摆安装架安装孔,立柱两侧设置电机座。
5、3.机身顶部底座上安装一台发动机,动力轴向上穿过动力轴孔,动力轴顶端安装锥形齿轮,锥齿向上;在支架上方,通过轴承、轴承座安装一个水平传动轴,水平传动轴两端安装两个锥形齿轮,锥齿向外,中间的齿轮与动力轴上端的齿轮向啮合;动力轴与两个十字环形轨道的轴线平行,都与水平传动轴轴线垂直,并同在一个平面内。
6、4.十字环形轨道中心打传动轴安装孔,框架上打安装孔,十字环形轨道也是桨叶的防护装置;一传动轴中间安装轴承,轴承固定在轨道传动轴孔内,十字环形轨道安装固定在支架两侧横担下方,传动轴穿过横担传动轴孔,上端安转锥形齿轮,锥齿向上与水平传动轴两端的齿轮相啮合,下端安装转盘。
7、5.每个转盘上安装固定多个桨叶,桨叶水平偏转角度相同,旋转时偏转角度不变,两个转盘上桨叶水平偏转方向相反,旋转时均产生向下的风力(即向上的升力)。
8、6.桨叶末端安装滚轮轴,轴上安装滚轮,滚轮轴心与传动轴轴心垂直相交,滚轮与十字环形轨道下方接触、对应;螺旋桨桨叶旋转时产生升力,在升力作用下,桨叶末端的滚轮与轨道下方接触,并沿环形轨道下方滚动、旋转。桨叶旋转产生的升力向上通过滚轮传递给轨道、支架,再通过支架作用于机身,给机身提供升力。
9、7.风摆安装架安装在支架和悬架之间,轨道、桨叶下方,风摆安装架设置风摆安装旋孔;风摆呈长方形,宽度一样,长度不一样,每个风摆的一个长边两端设置旋轴,其中一个风摆旋轴外端安装齿轮,每个风摆中心挖方孔,用于安装连杆的转轴,风摆旋轴安装轴承、轴承座,安装在风摆安装孔内,风摆自然下垂、平行、间距相等、与机身垂直。
10、8.支架两侧安装两个电机,电机传动轴上安装齿轮,与风摆的齿轮相啮合,两台电机均可正转和反转,控制风摆向前或向后偏转。电机安装座上安装齿轮自锁装置,防止齿轮任意偏转。
11、9.连杆上安装多个轴承和转轮轴,转轮轴线间距相等、与连杆垂直,连杆垂直穿过风摆方孔,转轮轴固定在风摆上,转轮轴轴线与风摆旋轴轴线平行,一个连杆将多个风摆串联起来,连杆带动多个风摆同时、一起偏转,改变螺旋桨吹出的风向,产生向前、向后的推力;电机旋转时带动一个风摆偏转,即可带动机身一侧所有风摆偏转。
12、10.发动机的启停开关、油门控制开关安装在驾驶室内,手动控制;2台电机的控制开关和电机齿轮解锁装置安装在驾驶室内。
13、使用方式:
14、1.直升机的风摆处于下垂状态时,启动发动机,加大油门,向下吹风,产生向上的升力,机身两侧的螺旋桨旋转方向相反、转速相同,产生的扭矩相互抵消,机身左右平衡、稳定,使直升机上升到一定高度,或悬停在一定高度;降低油门,即可下降高度,降落至地面。
15、2.直升机上升或悬停状态下,只启动左侧电机,使左侧风摆向后偏转,向后、下方吹风,机身左侧产生向前的推力大于右侧向前的推力,可使直升机右转弯;只启动右侧电机,使右侧风摆向后偏转,向下、向后吹风,机身右侧产生向前的推力大于左侧向前的推力,可使直升机左转弯。
16、3.直升机上升或悬停状态下,操控两台电机旋转,使机身两侧风摆同时向后偏转同样的角度,向后、下方吹风,将升力的一部分转化为向前的推力,使直升机向前飞行,加大油门或加大风摆向后偏转角度,可加大向前飞行速度。
17、4.直升机向前飞行过程中,控制左侧电机,加大机身左侧风摆向后偏转角度,直升机机身左侧的推力大于机身右侧的推力,可使直升机飞行过程中右转弯,反之,直升机左转弯。
18、5.直升机向前飞行过程中,操控两台电机,使两侧风摆同时、快速减小向后偏转的角度、继续向前偏转同样的角度,可使直升机空中减速、刹车至悬停状态或者倒飞。
19、(三)有益效果:1.螺旋桨桨叶产生的升力通过滚轮、轨道、支架作用于机身,给机身提供升力,大大降低了发动机传动轴的承载力,增加传动轴的使用寿命。
20、2.支架安装在机身上方,螺旋桨在支架横担下方沿环形轨道旋转,支架、轨道可作为桨叶的防护装置,飞行空间、着陆场限制减少。
21、3.去掉了总距操纵杆和操纵杆等装置,只控制一台发动机的油门和两台电机控制开关即可实现操控直升机的各种飞行状态,驾驶直升机更简单、更容易。
22、(四)适用范围:该发明适用于直升机和无人机。
技术特征:
1.一种单发直升机的双螺旋桨装置,其特征是:一台发动机带动两个螺旋桨旋转,两个螺旋桨直径相同、左右对称布局,也可前后对称布局,旋转方向相反,均向下吹风产生升力;连杆将多个风摆串联起来,电机控制风摆偏转角度和方向,改变风向,产生向前、先后的推力。
2.根据权利要求1所述的一种单发直升机的双螺旋桨装置,其特征是:支架呈“t”形,双立柱,底座安装在机身顶部,左右对称,两侧横担打传动轴孔、轴承座安装孔、十字环形轨道安装孔,支架中心打动力轴孔;支架两侧、横担两端悬架下方设置风摆安装架安装孔,立柱两侧设置电机座。
3.根据权利要求1所述的一种单发直升机的双螺旋桨装置,其特征是:机身顶部底座上安装一台发动机,动力轴向上穿过动力轴孔,动力轴顶端安装锥形齿轮,锥齿向上;在支架上方,通过轴承、轴承座安装一个水平传动轴,水平传动轴两端安装两个锥形齿轮,锥齿向外,中间的齿轮与动力轴上端的齿轮向啮合;动力轴与两个十字环形轨道的轴线平行,都与水平传动轴轴线垂直,并同在一个平面内。
4.根据权利要求1所述的一种单发直升机的双螺旋桨装置,其特征是:十字环形轨道中心打传动轴安装孔,框架上打安装孔,十字环形轨道也是桨叶的防护装置;一传动轴中间安装轴承,轴承固定在轨道传动轴孔内,十字环形轨道安装固定在支架两侧横担下方,传动轴穿过横担传动轴孔,上端安转锥形齿轮,锥齿向上与水平传动轴两端的齿轮相啮合,下端安装转盘。
5.根据权利要求1所述的一种单发直升机的双螺旋桨装置,其特征是:每个转盘上安装固定多个桨叶,桨叶水平偏转角度相同,旋转时偏转角度不变,两个转盘上桨叶水平偏转方向相反,旋转时均产生向下的风力(即向上的升力)。
6.根据权利要求1所述的一种单发直升机的双螺旋桨装置,其特征是:桨叶末端安装滚轮轴,轴上安装滚轮,滚轮轴心与传动轴轴心垂直相交,滚轮与十字环形轨道下方接触、对应;螺旋桨桨叶旋转时产生升力,在升力作用下,桨叶末端的滚轮与轨道下方接触,并沿环形轨道下方滚动、旋转;桨叶旋转产生的升力向上通过滚轮传递给轨道、支架,再通过支架作用于机身,给机身提供升力。
7.根据权利要求1所述的一种单发直升机的双螺旋桨装置,其特征是:风摆安装架安装在支架和悬架之间,轨道、桨叶下方,风摆安装架设置风摆安装旋孔;风摆呈长方形,宽度一样,长度不一样,每个风摆的一个长边两端设置旋轴,其中一个风摆旋轴外端安装齿轮,每个风摆中心挖方孔,用于安装连杆的转轴,风摆旋轴安装轴承、轴承座,安装在风摆安装孔内,风摆自然下垂、平行、间距相等、与机身垂直。
8.根据权利要求1所述的一种单发直升机的双螺旋桨装置,其特征是:支架两侧安装两个电机,电机传动轴上安装齿轮,与风摆的齿轮相啮合,两台电机均可正转和反转,控制风摆向前或向后偏转;电机安装座上安装齿轮自锁装置,防止齿轮任意偏转。
9.根据权利要求1所述的一种单发直升机的双螺旋桨装置,其特征是:连杆上安装多个轴承和转轮轴,转轮轴线间距相等、与连杆垂直,连杆垂直穿过风摆方孔,转轮轴固定在风摆上,转轮轴轴线与风摆旋轴轴线平行,一个连杆将多个风摆串联起来,连杆带动多个风摆同时、一起偏转,改变螺旋桨吹出的风向;电机旋转时带动一个风摆偏转,即可带动机身一侧所有风摆偏转。
10.根据权利要求1所述的一种单发直升机的双螺旋桨装置,其特征是:发动机的启停开关、油门控制开关安装在驾驶室内,手动控制;2台电机的控制开关和电机齿轮解锁装置安装在驾驶室内。
技术总结
一种单发直升机的双螺旋桨装置,属于直升机生产技术领域,所要解决的技术问题:如何给螺旋桨桨叶安装防护装置、使驾驶直升机更容易。技术方案要点是:使用一台发动机带动两个螺旋桨旋转为直升机提供升力,两个螺旋桨旋直径相同、左右对称、转方向相反,扭力矩相互抵消,油门大小控制飞行高度;风摆安装在桨叶下方,连杆将多个风摆串联起来,两个电机控制风摆向前或向后偏转方向和角度,调整机身两侧推力的大小,驾驶直升机左转弯、右转弯、向前飞、倒飞,油门越大和风摆向后偏转角度越大,飞行速度就越大。两个传动轴下端安装转盘、桨叶和滚轮,上端安装齿轮,滚轮沿轨道下方滚动、旋转。该发明适用于直升机和无人机。
技术研发人员:牛乐,牛耀宏
受保护的技术使用者:牛耀宏
技术研发日:
技术公布日:2024/9/2
技术研发人员:牛乐,牛耀宏
技术所有人:牛耀宏
备 注:该技术已申请专利,仅供学习研究,如用于商业用途,请联系技术所有人。
声 明 :此信息收集于网络,如果你是此专利的发明人不想本网站收录此信息请联系我们,我们会在第一时间删除
