一种用于励磁系统试验技能培训的智能VR系统的制作方法

本发明属于只能vr系统,具体涉及一种用于励磁系统试验技能培训的智能vr系统。
背景技术:
1、励磁系统作为发电机的关键控制设备,同时也是整个电网中无功及电压调节的杠杆,对发电机和电力系统的安全稳定运行具有至关重要的作用。因其多变的运行工况、复杂的底层原理、高要求的控制算法、涉及电气机械软件多专业知识,要求运维人员需要具备相当扎实的专业知识和丰富的试验经验,若操作失误,很有可能引发重大安全、生产事故。因此,为确保发电系统与电力系统稳定、安全运行,保障运维人员的工作安全,对励磁系统运维人员进行相关培训、考核是必然要进行的工作。
2、但是目前对励磁系统运维人员的培训方式,依然是以理论培训结合笔试考核为主,这种培训方式无法让运维人员直观地理解相关原理并提升实践能力,实际效果并不理想。在电力系统其他领域中,已使用vr虚拟现实技术对相关人员进行培训,但此类培训方式也仅仅是实现了相关产品在vr虚拟现实系统中的可视化,运维人员在虚拟现实中按照设定好的教程操作虚拟设备,或完成设定好的考试。其本质上依旧是应试性培训,培训流程机械化,无法剖析操作表象解释底层原理,无法根据复杂的励磁系统原理得到不同的操作步骤及后续连锁性反应,也无法在相关报警或故障状态下由培训运维人员根据各个子系统的状态判断和处理故障信息。现有的vr培训系统无法根据运维人员本身知识水平与思维方式因材施教,无法培训出专业素养高、应变能力强的专业技术人员。
技术实现思路
1、为为解决上述技术问题,本发明提出了一种用于励磁系统试验技能培训的智能vr系统,能有效解决现有励磁系统试验技能培训方式无法让运维人员直观地理解相关原理并提升实践能力的问题,同时解决vr虚拟现实技术培训无法剖析操作表象解释底层原理、无法帮助运维人员解决突发性故障、无法根据运维人员本身知识水平与思维方式因材施教的问题。
2、本发明的目的是通过以下技术方案实现的:
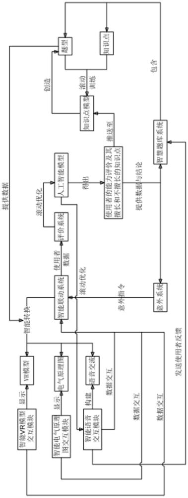
3、一种用于励磁系统试验技能培训的智能vr系统,包括智能vr模型交互模块、智能电气原理图交互模块、智能语音交互模块、智能联动系统、评价系统、意外系统、智慧题库系统;
4、所述智能vr模型交互模块用于在vr虚拟现实头显中显示励磁系统的1:1三维模型,并与使用者佩戴的手柄或头显设备进行互动,在虚拟现实中将操作结果可视化;
5、所述智能电气原理图交互模块用于在vr虚拟现实头显中显示电气原理图,通过使用者的手柄操作,支持励磁系统电气原理图翻页、放大、原理解析操作;
6、所述智能语音交互模块用于和使用者实时语音交流,理解使用者的自然语言的准确含义,并使用效果最好的讲述方式与使用者对话;
7、所述智能联动系统用于联动上述三个模块,将同一个知识点用电气原理图、vr模型、语音描述三种不同的方式进行呈现,并且实现三种呈现方式的自由转换;
8、所述评价系统用于记录使用者成绩、操作时间、操作方式、语言各项数据,并用数据训练出代表使用者的能力的人工智能模型,得出使用者的能力评价及其擅长和不擅长的知识点,为所述意外系统和所述智慧题库系统提供数据与结论;
9、所述意外系统用于模拟实际工况中可能发生的意外情况,在使用者使用此智能vr系统时,根据评价系统的人工智能模型分析出使用者的强项和弱项,在使用者学习的过程中,分别针对强项、弱项制造意外情况让使用者紧急处理,加深使用者的印象,提高使用者的心理素质、专业技能和综合应变能力;
10、所述智慧题库系统用于根据评价系统分析出使用者的成长曲线和技术水平,计算出最优的题型及顺序。
11、优选的,所述讲述方式包括但不限于回答问题、反问问题、追问问题、举相近的例子、举反例、整体法分析、隔离法分析方式以及上述方式的自由组合。
12、优选的,所述智慧题库系统专门针对使用者进行题型定制,并通过智能语音交互模块获取使用者反馈,不断改进出适合使用者的题型。
13、优选的,在使用者使用智能vr系统时,头显中呈现的是智能vr模型交互模块提供的励磁系统vr模型,或者是智能电气原理图交互模块提供的励磁系统电气原理图,亦或是两者同时出现。
14、优选的,智能联动系统会将励磁系统vr模型与电气原理图在vr头显中相互转换,电气原理图通过2d——3d爆炸图——3dvr模型的方式转换为励磁系统vr模型,反之,励磁系统vr模型通过3dvr模型——3d爆炸图——2d的方式转换为电气原理图;在进行学习、练习或考试时,优先以励磁系统vr模型展示给使用者供其上手操作,所述评价系统根据使用者的操作数据更新人工智能模型,在判断使用者已基本熟悉当前操作后,通知所述智能联动系统将3dvr模型转换为2d电气原理图,同时使用标记颜色视觉凸显方式展示相关电气原理。
15、优选的,所述评价系统将使用者的成绩、操作时间、操作方式、语言各项数据带入人工智能模型滚动训练,判断出使用者对相关知识点的熟练度,如若认定该使用者已熟悉相关知识,则通知所述联动系统开启该知识点的3dvr模型和2d电气原理图的自由转换,再由人工智能模型推算出最适合使用者的转换频率和展现形式。
16、优选的,在传统的电气原理图中,一页原理图往往无法将原理展示清楚,因此智能电气原理图交互模块会将多张相关联的原理图联系起来并依次播放,同样以标记颜色的视觉凸显方式,在多张依次播放的电气原理图中从头到尾地展示电气原理,在关键器件处,还会弹出展示框,详细展示器件原理、公式知识点;所述3dvr模型和所述2d电气原理图都可以使用手柄交互进行试验、拆解、组装、查看详情操作。
17、优选的,所述智能语音交互模块用于使用人工智能模型与使用者对话,回答使用者的问题并调用智能vr模型交互模块、智能电气原理图交互模块提供的3dvr模型和2d电气原理图进行现场讲解,使用者可说话打断讲解以询问新的问题,智能语音交互模块会对新问题进行智能分析,若与之前的问题是递进关系,就将两个问题合并讲解,若两个问题没有递进关系,就依次讲解问题。
18、优选的,所述评价系统会使用人工智能模型对不同语言描述方式、语速、3dvr模型和2d电气原理图演示的比重、视觉凸显方式讲解方式下使用者的成长曲线进行分析,智慧题库系统根据分析结果将讲解模式逐渐迭代调整为最适合此使用者的考试、训练、学习形式。
19、优选的,通过所述智能vr模型交互模块、所述智能电气原理图交互模块、所述智能语音交互模块提供的数据,所述评价系统会不断优化人工智能模型,使得人工智能模型不断趋近于使用者真实且实时的能力水平。
20、优选的,所述智慧题库系统既包括预设的所有题型,还存储了题型涵盖的所有知识点,并内置了分析题型与知识点耦合关系的知识点模型。
21、优选的,所述人工智能模型会向智慧题库系统内的知识点模型推送使用者擅长和不擅长的知识点,知识点模型将擅长的知识点作为正参数,将不擅长的知识点作为负参数,根据知识点与题型的耦合关系反向创造出专为使用者打造的专属题型。
22、优选的,所述智能语音交互模块默认采用回答问题的方式与使用者进行交流,与此同时,所述评价系统汇总分析在交流的过程中使用者成绩、操作时间、操作方式、语言各项数据,不断更新使用者的人工智能模型,智能语音交互模块据此实时推算最适合使用者当前能力水平及状态的交流模式——回答问题、反问问题、追问问题、举相近的例子、举反例、整体法分析、隔离法分析各种交流方式的最佳组合;在此过程中,继续滚动更新人工智能模型与知识点模型,两个模型建立关联关系,共同挖掘使用者擅长知识点和不擅长知识点的存在规律,推算出使用者可能擅长的知识点和可能不擅长的知识点,智能语音交互模块据此在与使用者交流过程中引入符合规律的知识点、推算出的知识点及其对应的题型,使培训达到触类旁通、因材施教的效果。
23、本技术方案的有益效果如下:
24、一、本发明提供的一种用于励磁系统试验技能培训的智能vr系统,包括智能vr模型交互模块、智能电气原理图交互模块、智能语音交互模块、智能联动系统、评价系统、意外系统、智慧题库系统。通过本智能vr系统,能有效解决现有励磁系统试验技能培训方式无法让运维人员直观地理解相关原理并提升实践能力的问题,同时解决vr虚拟现实技术培训无法剖析操作表象解释底层原理、无法帮助运维人员解决突发性故障、无法根据运维人员本身知识水平与思维方式因材施教的问题。
25、二、本发明提供的一种用于励磁系统试验技能培训的智能vr系统,创新性地将励磁原理、励磁系统实物、使用者思维模式通过智能vr系统有机融合在一起,通过智能语音交互模块、人工智能模型、知识点模型的复合多重循环滚动优化,为使用者定制高度契合其技能水平和成长规律的全方位沉浸式一站式智能vr培训方案,并在此过程中不断深挖使用者擅长和不擅长的知识点,不断更新优化智慧题库系统和意外系统,以此快速培养出兼具理论意识、创新意识、实践经验和应急能力的复合型技术人才。
技术研发人员:魏蔓,李鑫雨,陈孝宇,刘洋,汪虹宇,李杨,龚小波
技术所有人:东方电气自动控制工程有限公司
备 注:该技术已申请专利,仅供学习研究,如用于商业用途,请联系技术所有人。
声 明 :此信息收集于网络,如果你是此专利的发明人不想本网站收录此信息请联系我们,我们会在第一时间删除
