耦合碳捕集的火力发电系统及零碳零出力运行方法与流程

本发明涉及能源,尤其涉及一种耦合碳捕集的火力发电系统及零碳零出力运行方法。
背景技术:
1、随着新能源高比例大规模发展,其间歇性、随机性、波动性特点对系统调节能力提出了巨大需求,近年来煤电开始承担起更多的灵活调节责任,60万、30万千瓦等级机组承担了更多的启停调峰任务,经常参与启停调峰和深度调峰。
2、但机组的频繁启停将会带来设备受损、寿命损耗、燃烧恶化及运行操作风险等诸多潜在安全隐患,且用电高峰时,处于停机状态的机组难以快速响应并达到所需的负荷,调峰目标难以实现。
技术实现思路
1、本发明提供一种耦合碳捕集的火力发电系统及零碳零出力运行方法,用以解决现有技术中调峰时机组频繁启停所带来的安全隐患以及响应速度慢的缺陷,能够在不停机的情况下满足电网调峰的需求,且能够在电网用电需求高峰时,快速升负荷,达到所需的负荷,同时,还能够对发电过程中产生的二氧化碳进行有效的捕集。
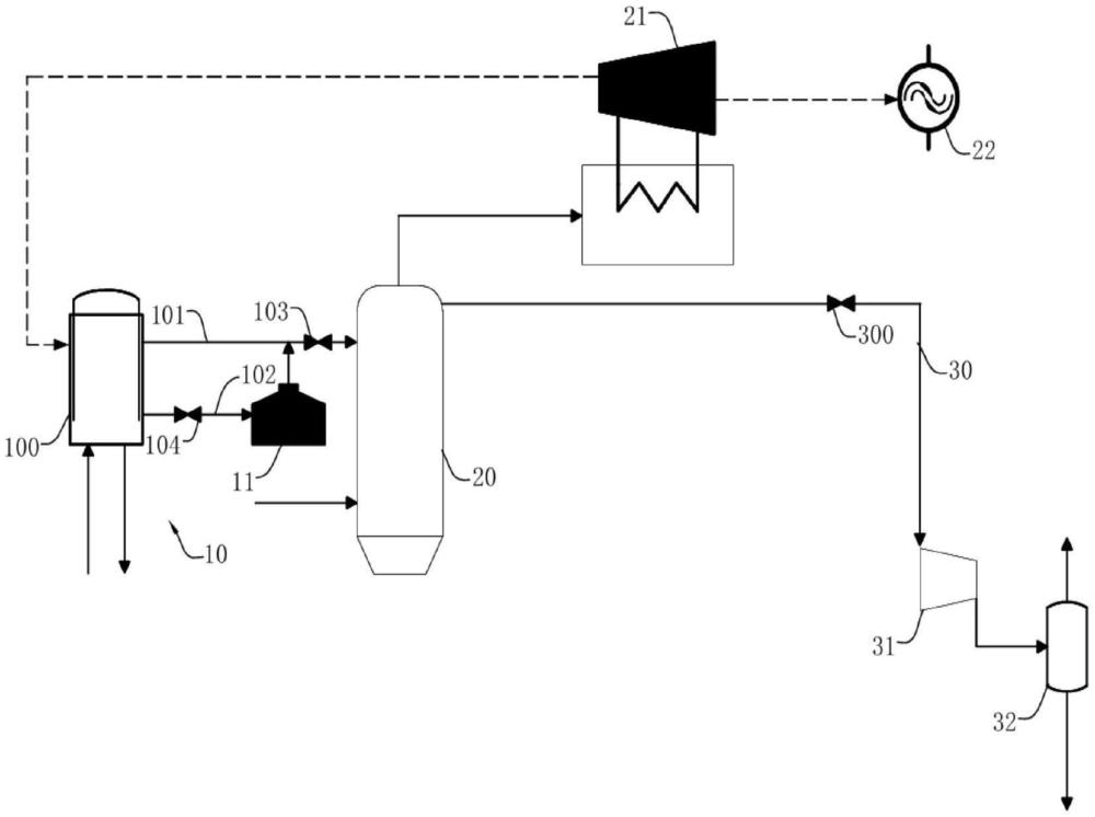
2、本发明提供一种耦合碳捕集的火力发电系统,包括:发电模块和碳捕集模块;
3、所述发电模块适用于燃烧燃料发电;
4、所述碳捕集模块适用于所述发电模块燃料燃烧中和/或燃烧后的碳捕集;
5、所述碳捕集模块包括动力设备、再生设备和第一储罐;所述碳捕集模块中的工质由所述动力设备提供驱动力;所述再生设备用于所述工质的再生,所述第一储罐与所述再生设备连接,用于对再生的工质进行存储;
6、所述工质再生过程所需的能量能够由用电低谷时的所述发电模块供给,用于使所述发电模块在满足用电低谷中所需上网电量的情况下维持最低稳燃状态;
7、用电高峰时所需的工质能够由所述第一储罐提供。
8、根据本发明提供的一种耦合碳捕集的火力发电系统,所述发电模块还包括燃烧炉、蒸汽轮机和发电机;所述燃烧炉的输出端与所述蒸汽轮机的输入端连接;所述蒸汽轮机的输出端与所述发电机连接,用于带动所述发电机运转。
9、根据本发明提供的一种耦合碳捕集的火力发电系统,所述工质包括富氧气体;所述再生设备包括用于生产富氧气体的制氧装置,所述制氧装置的出口通过输送管路与所述燃烧炉连接;
10、所述制氧装置的出口通过第一支路与所述第一储罐的入口连接,所述第一储罐的出口与所述发电模块的燃烧炉连接。
11、根据本发明提供的一种耦合碳捕集的火力发电系统,所述制氧装置包括空气分离装置。
12、根据本发明提供的一种耦合碳捕集的火力发电系统,所述输送管路上设置有第一阀,所述第一支路上设置有第二阀,所述第一储罐的出口与所述输送管路连接且连接点位于所述第一阀与所述制氧装置之间。
13、根据本发明提供的一种耦合碳捕集的火力发电系统,所述工质包括二氧化碳吸收剂;所述碳捕集模块还包括反应器,所述反应器的烟气入口与所述发电模块的烟气出口连接;所述反应器的工质出口通过再生管路与所述再生设备的工质入口连接,所述再生设备用于对吸收剂进行解析再生;所述再生设备的工质出口通过回流管路连接至所述反应器的工质入口;所述再生设备的工质出口通过第二支路连接至所述第一储罐。
14、根据本发明提供的一种耦合碳捕集的火力发电系统,所述回流管路上设置有第三阀,所述第二支路上设置有第四阀,所述第二支路与所述回流管路连接且连接点位于所述第三阀与所述反应器的工质入口之间。
15、根据本发明提供的一种耦合碳捕集的火力发电系统,还包括第二储罐;
16、所述反应器的工质出口通过第三支路连接至所述第二储罐,用于对反应后的吸收剂进行储存。
17、根据本发明提供的一种耦合碳捕集的火力发电系统,所述再生管路上设置有第五阀,所述第三支路上设置有第六阀,所述第三支路与所述再生管路连接且连接点位于所述第五阀和所述反应器的工质出口之间。
18、根据本发明提供的一种耦合碳捕集的火力发电系统,所述再生设备的热源入口与所述蒸汽轮机连接,用于为所述再生设备提供解析再生吸收剂的热源。
19、根据本发明提供的一种耦合碳捕集的火力发电系统,还包括提纯模块;
20、所述发电模块的烟气出口通过第一管路连接至所述提纯模块;
21、再生设备的排气口通过第二管路与所述提纯模块连接,用于将析出的气体排放至所述提纯模块。
22、根据本发明提供的一种耦合碳捕集的火力发电系统,所述第一管路上连接有第七阀。
23、根据本发明提供的一种耦合碳捕集的火力发电系统,所述再生设备的排气口通过第二管路与所述提纯模块连接,用于将析出的气体排放至所述提纯模块分离。
24、根据本发明提供的一种耦合碳捕集的火力发电系统,所述第二管路上连接有第九阀。
25、根据本发明提供的一种耦合碳捕集的火力发电系统,所述提纯模块包括多级压缩机和深冷提纯器。
26、根据本发明提供的一种耦合碳捕集的火力发电系统,所述再生设备与所述提纯模块之间设置有冷凝器。
27、本发明还提供一种耦合碳捕集的火力发电系统的运行方法,包括以下步骤:
28、确定上网电量低于发电模块的最低稳燃负荷时,控制所述发电模块维持最低稳燃状态,并通过所述发电模块为碳捕集模块提供能量来进行工质的再生和存储,使所述发电模块在最低稳燃状态下满足所需的上网电量;
29、确定上网电量高于所述发电模块的最低稳燃负荷时,利用存储的工质进行发电模块的碳捕集,增加发电模块的对外输出电量,使所述发电模块快速达到所需负荷。
30、有益效果:
31、一、本发明提供的耦合碳捕集的火力发电系统及零碳零出力运行方法,通过发电模块能够燃烧燃料进行发电;碳捕集模块能够对燃料燃烧中和/或燃烧后的碳进行捕集,实现低碳/零碳排放;当处于用电低谷,调度指令上网电量小于发电模块的最低稳燃负荷时,调节发电模块使其处于最低稳燃的状态,发电模块保持所需上网电量的同时,多余的电量供给给碳捕集模块来进行工质的再生和存储,再生的工质储存于第一储罐中;当处于用电高峰,调度指令上网电量大于发电模块的最低稳燃状态时,处于最低稳燃状态的发电模块可快速响应并提升负荷,达到所需的工作状态;并且此时,碳捕集过程所需的工质可以由第一储罐供给,减少了碳捕集模块的耗电量,增加发电模块的对外输电量,使发电模块快速达到所需负荷,进一步提高响应速率;相较于相关技术,发电模块调峰运行时无需频繁启停,有效避免了因频繁启停导致的设备受损、寿命损耗、燃烧恶化及运行操作风险等问题,且在电网用电需求高峰时,能够快速响应并提升负荷,调峰能力得以优化。
32、二、通过在燃煤电站碳捕集系统中增加第一储罐,不仅可实现常规的零碳排放,还可以可兼顾电网的调峰需求,通过不同工况下调整储罐的不同运行方式,同时实现机组在最低稳燃负荷下实现对电网零输电。
技术特征:
1.一种耦合碳捕集的火力发电系统,其特征在于,包括:发电模块和碳捕集模块;
2.根据权利要求1所述的耦合碳捕集的火力发电系统,其特征在于,所述工质包括富氧气体;所述再生设备(10)包括用于生产富氧气体的制氧装置(100),所述制氧装置(100)的出口通过输送管路(101)与所述发电模块的燃烧炉(20)连接;
3.根据权利要求2所述的耦合碳捕集的火力发电系统,其特征在于,所述输送管路(101)上设置有第一阀(103),所述第一支路(102)上设置有第二阀(104),所述第一储罐(11)的出口与所述输送管路(101)连接且连接点位于所述第一阀(103)与所述制氧装置(100)之间。
4.根据权利要求1所述的耦合碳捕集的火力发电系统,其特征在于,所述工质包括二氧化碳吸收剂;
5.根据权利要求4所述的耦合碳捕集的火力发电系统,其特征在于,所述回流管路(14)上设置有第三阀(140),所述第二支路(15)上设置有第四阀(150),所述第二支路(15)与所述回流管路(14)连接且连接点位于所述第三阀(140)与所述反应器(12)的工质入口之间。
6.根据权利要求4所述的耦合碳捕集的火力发电系统,其特征在于,还包括第二储罐(16);所述反应器(12)的工质出口通过第三支路(17)连接至所述第二储罐(16),用于对反应后的吸收剂进行储存。
7.根据权利要求6所述的耦合碳捕集的火力发电系统,其特征在于,所述再生管路(13)上设置有第五阀(130),所述第三支路(17)上设置有第六阀(170),所述第三支路(17)与所述再生管路(13)连接且连接点位于所述第五阀(130)和所述反应器(12)的工质出口之间。
8.根据权利要求1所述的耦合碳捕集的火力发电系统,其特征在于,所述再生设备(10)的热源入口与所述发电模块的蒸汽轮机(21)连接,用于为所述再生设备(10)提供解析再生吸收剂的热源。
9.根据权利要求1-8任意一项所述的耦合碳捕集的火力发电系统,其特征在于,还包括提纯模块;
10.一种耦合碳捕集的火力发电系统零碳零出力运行方法,其特征在于,包括以下步骤:
技术总结
本发明涉及能源技术领域,尤其涉及一种耦合碳捕集的火力发电系统及零碳零出力运行方法,发电系统包括发电模块和碳捕集模块;碳捕集模块适用于发电模块燃料燃烧中和/或燃烧后的碳捕集;碳捕集模块包括动力设备、再生设备和第一储罐;第一储罐与再生设备连接对再生的工质进行存储;工质再生所需的能量能够由用电低谷时的发电模块供给,用于使发电模块在满足用电低谷中所需上网电量的情况下维持最低稳燃状态;用电高峰时所需的工质能够由第一储罐提供;如此,发电模块调峰运行时无需频繁启停,有效避免了因频繁启停导致的设备受损、寿命损耗、燃烧恶化及运行操作风险等问题,且在电网用电需求高峰时,能够快速响应并提升负荷,调峰能力得以优化。
技术研发人员:付旭晨,辛力坚,孟庆天,于英利,武洁,李晓波,韩元,荣俊,马骏,李丰泉
受保护的技术使用者:内蒙古电力(集团)有限责任公司内蒙古电力科学研究院分公司
技术研发日:
技术公布日:2024/9/2
技术研发人员:付旭晨,辛力坚,孟庆天,于英利,武洁,李晓波,韩元,荣俊,马骏,李丰泉
技术所有人:内蒙古电力(集团)有限责任公司内蒙古电力科学研究院分公司
备 注:该技术已申请专利,仅供学习研究,如用于商业用途,请联系技术所有人。
声 明 :此信息收集于网络,如果你是此专利的发明人不想本网站收录此信息请联系我们,我们会在第一时间删除
