一种用于阿胶提取的加压高温提取装置的制作方法

本实用新型涉及制药设备技术领域,具体为一种用于阿胶提取的加压高温提取装置。
背景技术:
阿胶具有补血滋阴、润燥、止血的功能;用于血虚萎黄、眩晕心悸、心烦不眠、肺燥咳嗽,本品呈长方形块、方形块或丁状,黑褐色,有光泽;质硬而脆,断面光亮,碎片对光照视呈棕色半透明状;气微,味微甘。
在目前的阿胶提取中,大都采用常压提取工艺,即在常压下溶液的沸点就是提取工艺操作的温度;水在常压下的沸点为一百摄氏度左右(接近水的沸点),醇提在常压下为七十摄氏度左右;传统阿胶提取工艺往往采用常压提取的方法,要求设备容积大,煮提时间长,一般在十二至十四小时左右,并且由于驴皮搅拌困难,传统提取罐无法完全炖化效率不高,原料浪费严重,从而不能适应现代化规模生产的要求,这种提取方法的缺点是:产量低,经济效益差。
技术实现要素:
(一)解决的技术问题
针对现有技术的不足,本实用新型提供了一种用于阿胶提取的加压高温提取装置,解决了传统提取罐无法完全炖化效率不高,原料浪费严重,从而不能适应现代化规模生产要求的问题。
(二)技术方案
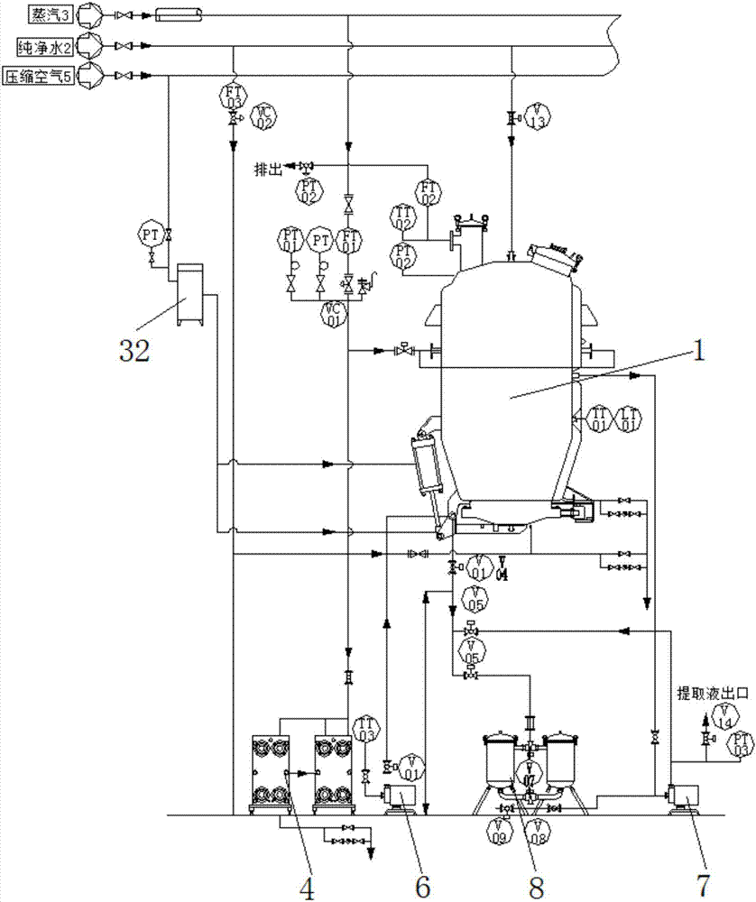
为实现以上目的,本实用新型通过以下技术方案予以实现:一种用于阿胶提取的加压高温提取装置,包括正锥提取罐,所述正锥提取罐的输入端与纯净水的输出端连接,并且正锥提取罐的输入端与蒸汽的输出端连接,所述蒸汽的输出端还与板式换热器的输入端连接,并且正锥提取罐的输入端通过储气罐与压缩空气的输出端连接,所述正锥提取罐的输入端分别与第一输送泵和第二输送泵的输出端连接,并且正锥提取罐的输出端与双联过滤器的输入端连接。
所述正锥提取罐包括外包筒体,并且外包筒体的内部固定连接有内胆,所述内胆的顶部固定连接有内胆上封头,并且内胆上封头顶部的一侧连通有进气管,所述内胆上封头顶部的另一侧连通有入料口,并且入料口的顶部设置有视镜,所述内胆上封头的顶部且位于进气管和入料口之间连通有进水管,所述内胆的一侧连通有第一加热蒸汽进气管,并且内胆的另一侧分别连通有第二加热蒸汽进气管、捕沫器排液管和温度变送器管,所述第一加热蒸汽进气管、第二加热蒸汽进气管、捕沫器排液管和温度变送器管的一端均贯穿外包筒体且延伸至外包筒体的外部,所述内胆的内部且与捕沫器排液管相对应的位置固定连接有捕沫装置,并且捕沫装置的底部与捕沫器排液管连通,所述内胆的底部通过锁扣活动连接有出渣门组件,并且出渣门组件上分别贯穿有饱和水蒸气进管、纯净水补水管、排液管和第一冷凝液排出管。
优选的,所述内胆外表面的底部固定连接有加热层,所述外包筒体的内壁且分别与内胆和加热层之间固定连接有保温层。
优选的,所述进气管远离入料口的一侧连通有安全排空阀,并且进气管的内部分别设置有进液口、备用口、安全阀口和压力表口。
优选的,所述外包筒体外表面一侧的底部通过连接件活动连接有气缸,并且气缸的伸出轴与出渣门组件活动连接。
优选的,所述外包筒体一侧的底部贯穿有第二冷凝液排出管,并且第二冷凝液排出管位于外包筒体内部的一端与加热层连通。
优选的,所述捕沫装置包括第一连接管,并且第一连接管的一端通过第一旋转关节与捕沫器排液管活动连接,所述第一连接管的另一端通过第二旋转关节活动连接有第二连接管,并且第二连接管远离第一连接管的一端连通有过滤筛网,所述过滤筛网的顶部通过连接绳固定连接有浮球。
(三)有益效果
本实用新型提供了一种用于阿胶提取的加压高温提取装置。具备以下有益效果:该用于阿胶提取的加压高温提取装置,通过设置有的正锥提取罐、板式换热器、第一输送泵、第二输送泵和双联过滤器,以及外包筒体的内部固定连接有的内胆,内胆的顶部固定连接有内胆上封头,内胆上封头的顶部分别连接有进气管、进水管和入料口,内胆的内部固定连接有的捕沫装置,内胆的一侧连通有第一加热蒸汽进气管,并且内胆的另一侧分别连通有第第二加热蒸汽进气管、捕沫器排液管和温度变送器管,所述第一加热蒸汽进气管、第二加热蒸汽进气管、捕沫器排液管和温度变送器管的一端均贯穿外包筒体且延伸至外包筒体的外部,内胆的底部通过锁扣设置有的出渣门组件,解决了传统阿胶提取工艺往往采用常压提取方法的情况,极大的降低了设备的容积,缩短了煮提的时间,避免了由于驴皮搅拌困难导致提取罐无法完全炖化效率不高的问题,防止了原料浪费严重,更好的适应了现代化规模生产的要求,提高了产品质量,同时还能有效地节约能源。
附图说明
图1为本实用新型结构示意图;
图2为本实用新型的剖视图;
图3为本实用新型捕沫装置的结构示意图。
图中:1正锥提取罐、2纯净水、3蒸汽、4板式换热器、5压缩空气、6第一输送泵、7第二输送泵、8双联过滤器、9外包筒体、10内胆、11内胆上封头、12进气管、13入料口、14视镜、15进水管、16第一加热蒸汽进气管、17第二加热蒸汽进气管、18捕沫器排液管、19温度变送器管、20捕沫装置、201第一连接管、202第一旋转关节、203第二旋转关节、204第二连接管、205过滤筛网、206浮球、21锁扣、22出渣门组件、23饱和水蒸气进管、24纯净水补水管、25排液管、26第一冷凝液排出管、27加热层、28保温层、29安全排空阀、30气缸、31第二冷凝液排出管、32-储气罐。
具体实施方式
下面将结合本实用新型实施例中的附图,对本实用新型实施例中的技术方案进行清楚、完整地描述,显然,所描述的实施例仅仅是本实用新型一部分实施例,而不是全部的实施例。基于本实用新型中的实施例,本领域普通技术人员在没有做出创造性劳动前提下所获得的所有其他实施例,都属于本实用新型保护的范围。
请参阅图1-3,本实用新型提供一种技术方案:一种用于阿胶提取的加压高温提取装置,包括正锥提取罐1,正锥提取罐1的两侧均固定连接有支座,支座可以更好的方便对正锥提取罐1进行固定,正锥提取罐1的输入端与纯净水2的输出端连接,并且正锥提取罐1的输入端与蒸汽3的输出端连接,蒸汽3的输出端还与板式换热器4的输入端连接,外网供应纯净水2一路经正锥提取罐1顶部进水管15相连,一路与板式换热器4相连,提取过程中随着煮提液的蒸发,可使用经板式换热器4加热后的纯净水2,由第一输送泵6从正锥提取罐1底部出渣门组件22处补液孔加入正锥提取罐1,并且正锥提取罐1的输入端通过储气罐32与压缩空气5的输出端连接,正锥提取罐1的输入端分别与第一输送泵6和第二输送泵7的输出端连接,并且正锥提取罐1的输出端与双联过滤器8的输入端连接,提取装置在提取过程中,通过第二输送泵7实现提取液的循环搅拌,提取液自提取罐腰部捕沫器排液管18经管路流入第二输送泵7,然后由第二输送泵7经出渣门组件22底部药液孔进入正锥提取罐1,从而形成循环。
正锥提取罐1包括外包筒体9,并且外包筒体9的内部固定连接有内胆10,内胆10的顶部固定连接有内胆上封头11,内胆10外表面的底部固定连接有加热层27,外包筒体9的内壁且分别与内胆10和加热层27之间固定连接有保温层28,并且内胆上封头11顶部的一侧连通有进气管12,进气管12远离入料口13的一侧连通有安全排空阀29,并且进气管12的内部分别设置有进液口、备用口、安全阀口和压力表口,内胆上封头11顶部的另一侧连通有入料口13,并且入料口13的顶部设置有视镜14,内胆上封头11的顶部且位于进气管12和入料口13之间连通有进水管15,内胆10的一侧连通有第一加热蒸汽进气管16,并且内胆10的另一侧分别连通有第二加热蒸汽进气管17、捕沫器排液管18和温度变送器管19,第一加热蒸汽进气管16、第二加热蒸汽进气管17、捕沫器排液管18和温度变送器管19的一端均贯穿外包筒体9且延伸至外包筒体9的外部,内胆10的内部且与捕沫器排液管18相对应的位置固定连接有捕沫装置20,捕沫装置20包括第一连接管201,并且第一连接管201的一端通过第一旋转关节202与捕沫器排液管18活动连接,第一连接管201的另一端通过第二旋转关节203活动连接有第二连接管204,并且第二连接管204远离第一连接管201的一端连通有过滤筛网205,过滤筛网205的顶部通过连接绳固定连接有浮球206,在浮球206带动下,排液管25可清除淖皮过程中产生的油脂浮沫,改善胶液品质,并且捕沫装置20的底部与捕沫器排液管18连通,内胆10的底部通过锁扣21活动连接有出渣门组件22,出渣门组件22在闭合状态下与正锥提取罐1相互咬合,增加牢固性,出渣门组件22亦为双层结构,夹层内设有单圈蒸汽加热管路,出渣门组件22底部设有两处排液孔与分别与第一输送泵6和第二输送泵7连接,外包筒体9外表面一侧的底部通过连接件活动连接有气缸30,并且气缸30的伸出轴与出渣门组件22活动连接,并且出渣门组件22上分别贯穿有饱和水蒸气进管23、纯净水补水管24、排液管25和第一冷凝液排出管26,外包筒体9一侧的底部贯穿有第二冷凝液排出管31,并且第二冷凝液排出管31位于外包筒体9内部的一端与加热层27连通。
工作时,出渣门组件22关闭,安全排空阀29关闭,驴皮物料由入料口13投入,打开进水管15阀门入工艺规定量的纯净水2,完成后,关闭进水管15阀门,关闭并锁紧入料口13,打开正锥提取罐1及饱和水蒸气进管23进汽阀,开始加热,随着提取的进行,可通过控制屏及压力表观察正锥提取罐1内压力、温度等参数,通过正锥提取罐1顶部的视镜14可观察提取液状态;待提取液沸腾后,打开排液管25、循环回路阀一和循环回路阀二,启动第二输送泵7,开始循环搅拌;观察如提取液液位较低时不可低于捕沫装置20出口,打开板式换热器4的第一加热蒸汽进气管16、出水阀、第一输送泵6的出口阀门,启动第一输送泵6,向正锥提取罐1内补充纯净水2,补液完成后关闭相关阀门;待提取完成后,打开正锥提取罐1排空管路阀门,排出罐内压力,关闭循环回路阀一和循环回路阀二,打开排液管25上设置有的阀门、提取液排出阀,排出提取液。待出料完成后再关闭放料阀及放空阀,打开出渣门组件22,排出废渣,此后则重复前次操作。
采用本实用新型所述的加压提取装置提取阿胶时,可保持提取始终在一定压力的高温沸腾状态下进行,不但大大缩短了提取时间,提高了效率,而且又使物料充分利用,即提高了产品产量。
通过实验测得以下数据:生产中使用2000L阿胶提取罐;
A1、第一次为食用阿胶提取:
投料量:湿驴皮净料100公斤(干驴皮切制为10*10cm方块,经浸泡、水洗后)、纯化水1500L;
加热蒸汽压力:0.4MPa;
物料初温:13℃;
纯化水温度:23℃;
焯皮:打开提取罐进水阀,加入500L纯化水,投入驴皮物料,打开蒸汽加热阀门,加热水温至70℃,打开排液阀,然后排出罐内液体。
一寖(第一轮提取):时长4小时
从新加入纯化水1500L,打开蒸汽加热阀,开始加热,通过微电脑控制系统,控制罐内压力维持在0.2MPa,此时罐内液体沸腾温度135℃左右,打开输送泵(5)开始循环搅拌,注意补水,维持液面高度。4小时后,打开放空阀,使罐内压力恢复常压,打开排液阀排出一寖阿胶液。
二寖(第二轮提取):时长2.5小时
从新加入纯化水1500L,打开蒸汽加热阀,开始加热,通过微电脑控制系统,控制罐内压力维持在0.2MPa,此时罐内液体沸腾温度135℃左右,打开第二输送泵7开始循环搅拌,注意补水,维持液面高度。2.5小时后,打开放空阀,使罐内压力恢复常压,打开排液阀排出一寖阿胶液。
结束:打开出渣门,排出提取废渣,清洗罐体。
A2、第二次为永盛合阿胶提取:
投料量:湿驴皮净料100公斤(干驴皮切制为10*10cm方块,经浸泡、水洗后)、14味中草药合计4公斤、纯化水1500L;
加热蒸汽压力:0.4MPa;
物料初温:13℃;
纯化水温度:23℃;
焯皮:打开提取罐进水阀,加入500L纯化水,投入驴皮物料和中草药材,打开蒸汽加热阀门,加热水温至70℃,打开排液阀,然后排出罐内液体。
一寖(第一轮提取):时长4小时
从新加入纯化水1500L,打开蒸汽加热阀,开始加热,通过微电脑控制系统,控制罐内压力维持在0.2MPa,此时罐内液体沸腾温度135℃左右,打开第二输送泵7开始循环搅拌,注意补水,维持液面高度。4小时后,打开放空阀,使罐内压力恢复常压,打开排液阀排出一寖阿胶液。
二寖(第二轮提取):时长2.5小时
从新加入纯化水1500L,打开蒸汽加热阀,开始加热,通过微电脑控制系统,控制罐内压力维持在0.2MPa,此时罐内液体沸腾温度135℃左右,打开输送泵(5)开始循环搅拌,注意补水,维持液面高度。2.5小时后,打开放空阀,使罐内压力恢复常压,打开排液阀排出一寖阿胶液。
结束:打开出渣门,排出提取废渣,清洗罐体。
为了在提高阿胶提取效率的同时又增加驴皮原料炖化率,就需要在提取时采用加压的方法,此时,可以将溶液的沸点升高(例如水在零点四兆帕斯卡时沸点为一百四十二摄氏度);高温度大大提高了驴皮的炖化速率,从而大大提升阿胶提取速度;另外,通过该型提取罐自带的循环搅拌系统可以实现驴皮在提取罐内自下而上的搅动,该型提取罐底部出渣门同样具有加热功能,确保了驴皮原料的炖化率,最大限度的减少原料的浪费。
需要说明的是,在本文中,诸如第一和第二等之类的关系术语仅仅用来将一个实体或者操作与另一个实体或操作区分开来,而不一定要求或者暗示这些实体或操作之间存在任何这种实际的关系或者顺序。而且,术语“包括”、“包含”或者其任何其他变体意在涵盖非排他性的包含,从而使得包括一系列要素的过程、方法、物品或者设备不仅包括那些要素,而且还包括没有明确列出的其他要素,或者是还包括为这种过程、方法、物品或者设备所固有的要素。在没有更多限制的情况下。由语句“包括一个......限定的要素,并不排除在包括所述要素的过程、方法、物品或者设备中还存在另外的相同要素”。
尽管已经示出和描述了本实用新型的实施例,对于本领域的普通技术人员而言,可以理解在不脱离本实用新型的原理和精神的情况下可以对这些实施例进行多种变化、修改、替换和变型,本实用新型的范围由所附权利要求及其等同物限定。
技术研发人员:李大鸣,王莘,赵福东,王英杰
技术所有人:北京同仁堂(唐山)营养保健品有限公司
备 注:该技术已申请专利,仅供学习研究,如用于商业用途,请联系技术所有人。
声 明 :此信息收集于网络,如果你是此专利的发明人不想本网站收录此信息请联系我们,我们会在第一时间删除
