一种基于多物理场耦合的闷黄设备及工艺参数优化方法

本发明属于茶叶加工设备,具体是涉及一种基于多物理场耦合的闷黄设备及工艺参数优化方法。
背景技术:
1、黄茶是我国六大茶类之一,其内质甜香浓郁、醇厚甘爽的特点受到越来越多消费者的青睐。闷黄是黄茶特征品质形成的关键工艺,是使杀青后或者揉捻后的茶坯在湿热作用下逐渐黄变的过程,现有闷黄工艺多采用传统工艺进行加工,而传统闷黄没有专用设备,多采用焙篓、发酵机或者其他改造设备,造成闷黄过程中茶坯受热不均匀、难以控制闷黄工艺进程进而容易导致闷黄不到位或者闷黄过度等问题,形成的产品品质不稳定。同时还容易造成闷黄时间较长、劳动强度大、生产效率低,这也是制约黄茶量产的直接原因。现有针对黄茶闷黄的设备研究中,均采用箱式结构的闷黄箱或者闷黄室。例如,发明号为202210943882.x和发明号为202210428480.6公开了一种黄茶闷黄设备,箱体(室)内内设加热板、风机,闷黄箱还设置搅动杆在茶坯堆积过程中进行旋转搅动,促进茶坯翻转受热。发明号为202111614748.7公开了一种用于黄茶加工的循环风式闷黄设备,采用箱式结构,内设传送网带用于盛放和运输在制叶;配有蒸汽发生器与加湿管道相连,用于增加闷黄环境相对湿度;构建循环风管道以回风方式实现箱体内空气的持续流动。发明号为202210970628.9研制一种智能黄茶湿坯闷黄流水线,茶叶经输送带至闷黄房间,闷黄房间封闭,内有翻堆散热装置、节能调温装置及加湿装置,闷黄完成后经输送带输出闷黄房间。发明号为201710757588.9针对黄茶闷黄工艺技术参数的相关研究显示,闷黄温度、在制叶含水率、环境相对湿度、通气频率是影响黄茶闷黄品质形成的重要工艺因素,在传统闷黄温度温度(35℃~60℃)和在制叶含水率(20%~50%)范围内,一定范围内适当提高通气频率及闷黄环境相对湿度能够有效提升黄茶品质;对于湿坯闷黄,闷黄叶温43℃~54℃,环境相对湿度61%~83%,每间隔10min~20min的通气频率相对最适,形成的黄茶风格特征明显,内质滋味甘润、醇厚(范方媛等,闷黄工艺因子对黄茶品质及滋味化学组分的影响研究,茶叶科学,2019,39(1),63-73;范方媛等,一种黄茶机械化闷黄加工方法)。
2、上述闷黄箱/室均通过装置实现闷黄参数的设定和恒定控制,目的使茶叶闷黄更加均匀稳定。但是,一方面在制叶进入闷黄箱/室后保持静止或者随链板做平行运动为主,叶堆无法翻动或者叶堆较薄,或者内部搅动导致叶堆厚薄不均,均容易造成闷黄品质内外不均匀,同时,箱/室内虽然可进行空气循环,但叶堆内缺少空气交流;另一方面闷黄工艺过程是动态变化的,工艺中技术参数在一定范围内需要相互协调,即随着在制叶状态的变化,参数系统需要变化调整以保障闷黄正常进行,而设定参数的和恒定控制无法响应闷黄箱/室内状态的变化而调整。鉴于此,如何实现闷黄环境与在制叶状态精确耦合感控,并依据闷黄在制叶状态翻转叶堆保障叶堆内外状态的一致性,同时调整内部环境温度场、湿度场、风场均匀性以实现优化的温湿气协调调控设置,对突破传统参数设置的局限性,实现品质与能耗双重优化,以及对提升闷黄高效性、保质力、节能性与经济效益具有重要应用价值。
技术实现思路
1、本发明要解决的技术问题是提供一种基于多物理场耦合的闷黄设备及工艺参数优化方法,用以提供一种新的温-湿-气多物理场耦合感控闷黄滚筒装置系统,同时提供基于上述装置系统利用温度、湿度和气压等物理量,结合自适应bp神经网络pid算法调整功率输出,提高闷黄效率、提升闷黄品质。
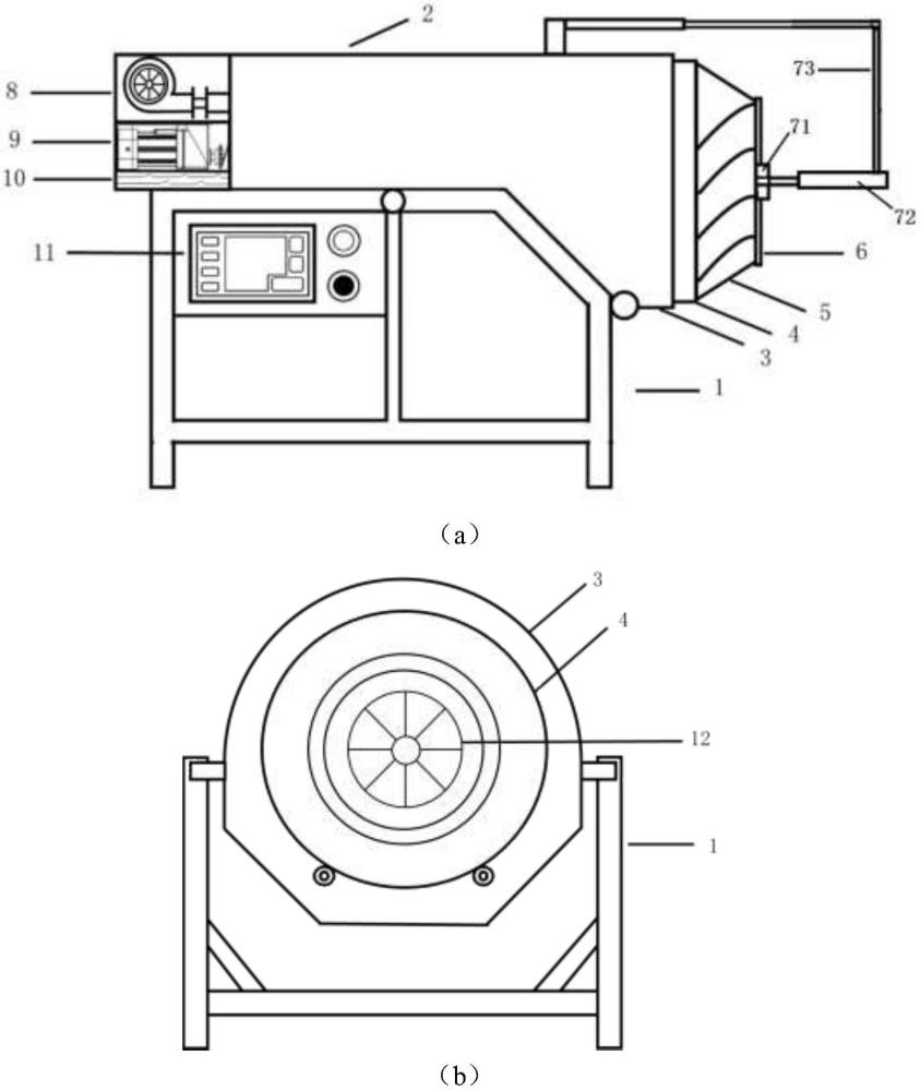
2、为了解决上述技术问题,本发明提供一种基于多物理场耦合的闷黄设备,包括滚筒和控制系统;
3、所述滚筒包括外层固定壳体和内层旋转滚筒,内层旋转滚筒一端为锥形进出料口,另一端为进风口;进风口一侧设有鼓风装置、驱动装置和传感系统;驱动装置包括电机,电机通过皮带传动分别与内层旋转滚筒和鼓风装置传动连接,用以分别驱动内层旋转滚筒旋转和鼓风装置向内层旋转滚筒内鼓风;
4、所述控制系统包括时钟模块、bp神经网络模块、中央处理模块、电机功率检测器和变频控制器,bp神经网络模块、传感系统和时钟模块分别与中央处理模块信号连接;
5、所述驱动装置的电机通过变频控制器和电机功率检测器与中央处理模块信号连接。
6、作为本发明的一种基于多物理场耦合的闷黄设备的改进:
7、所述内层旋转筒筒体内壁上沿筒体长度方向均匀分布有导叶条;
8、所述锥形进出料口内壁上沿筒体长度方向均匀分布有曲度导叶片;
9、所述传感系统设于外层固定壳体和内层旋转滚筒之间,传感系统包括温度传感器、气压传感器和湿度传感器。
10、作为本发明的一种基于多物理场耦合的闷黄设备的进一步改进:
11、所述外层固定壳体和内层旋转滚筒之间设有保温层和加热层,保温层紧贴在外层固定壳体的内壁上,加热层位于保温层之内环绕内层旋转滚筒铺设;保温层和加热层均与外层固定壳体固定连接。
12、作为本发明的一种基于多物理场耦合的闷黄设备的进一步改进:
13、所述锥形进出料口上设有筒盖,筒盖由开盖装置控制开合;开盖装置包括轴承和电动推杆,轴承的外圈与筒盖过盈配合,内圈与电动推杆的推杆过盈配合。
14、本发明还同时提供了利用一种基于多物理场耦合的闷黄设备进行工艺参数优化方法:
15、通过所述温度传感器、气压传感器和湿度传感器实时采集滚筒内的温度、空气相对湿度和气压的数据,通过电机功率检测器检测当前闷黄时间t的电机功率,并传输给中央处理模块;判断当前的闷黄时间t是否小于闷黄时间tmax,若是达到闷黄时间tmax,则关闭电机;若是未达到闷黄时间tmax,则计算当前闷黄时间t的饱和水汽压ew和空气密度ρ,利用实时训练的bp神经网络获得当前时刻的电机的最佳pid调节参数kp、ki、kd和参考功率pk*,再通过变频控制器进行pid控制电机的转速和闷黄时长。
16、作为本发明的一种基于多物理场耦合的闷黄设备进行工艺参数优化方法的改进:
17、所述饱和水汽压ew为:
18、
19、式中,ew为t温度下的饱和水汽压;t为滚筒内的温度;k、a、b、c、d均为常数;
20、所述空气密度ρ为:
21、
22、式中p为滚筒内的气压,为滚筒内的空气相对湿度。
23、作为本发明的一种基于多物理场耦合的闷黄设备进行工艺参数优化方法的进一步改进:
24、所述bp神经网络包括输入层、至少一个的隐含层和输出层:
25、(1)bp神经网络的输入为:滚筒内温度、湿度、饱和水汽压ew和空气密度ρ;
26、(2)根据bp神经网络的正向网络计算隐藏层的输入和输出:
27、
28、式中xi为输入向量,aj为隐藏层输出向量,wij为输入层与隐藏层之间权值,bj为输入层与隐藏层之间的阈值,f(·)为激活函数:
29、
30、(3)bp神经网络的输出为:电机参考功率pk*、pid控制比例参数kp、pid控制积分参数ki和pid控制微分参数kd:
31、
32、其中wjk为隐藏层与输出层之间权值,bk为隐藏层与输出层之间的阈值;
33、
34、
35、
36、其中kp为比例参数,ki为积分参数,kd为微分参数,
37、
38、作为本发明的一种基于多物理场耦合的闷黄设备进行工艺参数优化方法的进一步改进:
39、所述bp神经网络的实时训练过程为:
40、将当前时间的滚筒内的温度t、空气相对湿度饱和水汽压ew、空气密度ρ和电机功率均归一化处理后作为bp神经网路的输入;初始化bp神经网络,神经网络权值和阈值wij、wjk、bj、bk在区间[0,1]之间取随机数,初始化学习系数η;采用梯度下降算法使得bp神经网络权值和阈值wij、bj、wjk、bk按照学习系数η进行调整,不断迭代学习,调整误差函数e快速收敛至全局最小或者达到训练最大迭代次数,则停止训练,获得bp神经网络的最优权值和阈值。
41、作为本发明的一种基于多物理场耦合的闷黄设备进行工艺参数优化方法的进一步改进:
42、所述误差函数e为:
43、
44、其中pk*为神经网络经过一次正向计算后得到的参考功率,pk为实际值;
45、所述阈值wij、bj、wjk、bk为:
46、
47、
48、
49、
50、其中wij*为更新后的输入层与隐藏层之间权值,bj*为更新后的输入层与隐藏层之间的阈值,wjk*为更新后的隐藏层与输出层之间权值,bk*为更新后的隐藏层与输出层之间的阈值。
51、作为本发明的一种基于多物理场耦合的闷黄设备进行工艺参数优化方法的进一步改进:
52、所述pid控制过程为:
53、判断输出的电机参考功率pk*是否小于电机的最大功率pmax,若pk*≥pmax,则使pk*=pmax,并根据参考功率pk*和pid参数kp、ki、kd调节电机,若是pk*﹤pmax,则直接根据参考功率pk*和pid参数kp、ki、kd调节电机;
54、pid控制计算公式为:
55、
56、其中u(t)为当前时间pid控制器输出,e(t)为当前时间的误差函数,表示误差函数e(t)的积分,表示误差函数e(t)的导数。
57、本发明的有益效果主要体现在:
58、本发明依据闷黄筒体内在制叶状态适时翻转叶堆保障叶堆内外状态的一致性,并调整内部环境温度场、湿度场、风场均匀性,实现闷黄环境与在制叶状态精确耦合感控,并基于温度、湿度、气压等多个物理量,结合自适应bp神经网络pid算法自动控制调整电机功率输出,实现优化的温湿气协调调控设置,对突破传统参数设置的局限性,实现品质与能耗双重优化,以及对提升闷黄高效性、保质力、节能性与经济效益具有重要应用价值。
技术研发人员:范方媛,龚淑英,钱虹,苏鸿,黄创盛,曾庆义,方王琦,洪勇
技术所有人:浙江大学
备 注:该技术已申请专利,仅供学习研究,如用于商业用途,请联系技术所有人。
声 明 :此信息收集于网络,如果你是此专利的发明人不想本网站收录此信息请联系我们,我们会在第一时间删除
