一种体结构MEMS红外光源及其制造方法

本发明属于光电,具体涉及一种可靠性提升的体结构mems红外光源,特指一种体结构mems红外光源及其制造方法。
背景技术:
1、红外传感技术已经被广泛应用于大气质量检测、温度监控、工业过程控制、空间监控、信息通信、医学及军事等领域。红外光源是红外传感技术的重要元件,常用的发光波长为3-5微米以及8-14微米。传统热辐射红外光源如白炽灯,其电光转换效率低、调制特性差;而波长在3-5微米的红外二极管发光效率低,输出功率小,限制了其应用;量子级联红外激光器能够发射高强度的窄带红外激光,但效率也不高,且制造成本高昂。利用微机电系统(mems)技术制作的mems红外光源是一种新型的热辐射红外光源,具有电光转换效率高、体积小、能耗低等特点,同时光谱很容易覆盖2-20微米范围,还具有较快的调制频率,已经被广泛应用于红外传感领域,成为红外光源的趋势性技术。
2、现有的mems红外光源结构包含衬底,在衬底上设有支撑层,支撑层和衬底采用四边固支结构连接,在支撑层上设有发热电极层、红外辐射层等,形成“悬膜”结构。“悬膜”结构通常采用背面腐蚀衬底,例如中国发明专利申请公开号cn117303302a、cn116374940a、cn116081563a、cn114604818a、cn116730276a、cn114249292a、cn113979402a、cn103896203a等所采用的方案;或者正面通过释放孔腐蚀衬底,例如中国发明专利申请公开号cn106276773a、cn106374019a、cn106185784a、cn106629577a、cn115818556a等所采用的方案形成。mems红外光源工作时,给发热电极层通电产生焦耳热,使发热电极层升温至特定温度,特定温度根据所需红外发射波长和辐射量确定,进而产生红外辐射。制作“悬膜”结构的目的主要是为了使发热电极所产生的焦耳热主要用于加热“悬膜”处的材料,而不至于使热量被衬底吸收或者快速散失,因为“悬膜”向外热传导主要通过空气等气体介质,具有很低的热导率,可以大幅提升mems红外光源的电光转换效率,因此,“悬膜”结构是现有mems红外光源的标配。
3、为了降低“悬膜”的热容,通常“悬膜”都很薄,典型的厚度在1-3μm范围,而“悬膜”面积根据辐射量的要求,通常在1-10mm2范围内,从面积和厚度尺寸可以很明显的看出,“悬膜”即使在室温不工作的情况下也是非常脆弱的,这对制造过程的良率控制是一大挑战,很容易出现“悬膜”破裂等不良现象。更重要的是,mems红外光源在工作时,“悬膜”中心和边缘的温差通常在500-700℃,同时还需要进行一定频率的调制,使用电流通断或者电流大小的周期性变化来调制,频率通常为1-100hz,在这种情况下“悬膜”不仅要承受巨大温度梯度带来的热应力,同时还要按照调制频率忽冷忽热的变化并上下振动,造成应力的周期性剧烈波动。通常要求mems红外光源的寿命在0.5-10万小时,在全寿命周期内,“悬膜”需要在温度不断变化的情况下振动数亿到数十亿次,这是一个巨大的挑战,非常容易出现“悬膜”破裂等失效现象。综上所述,现有的“悬膜”结构mems红外光源很好的解决了散热和提升电光转换效率的问题,但同时也带来了制造良率控制和耐用性方面的巨大隐患。
技术实现思路
1、为了解决现有mems红外光源中“悬膜”结构可能带来的制造良率控制和耐用性方面的问题,本发明提供了一种体结构mems红外光源及其制造方法。
2、本发明采用以下技术方案实现:
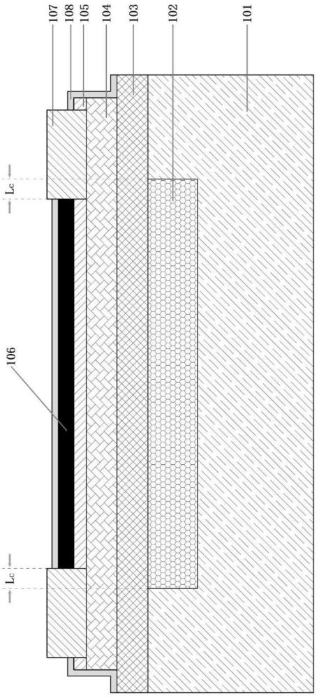
3、一种体结构mems红外光源,从下至上依次为衬底和隔热层、介质层、发热电极层、红外发射层;以及与发热电极层电连接并位于红外发射层两侧的两条发热电极焊盘。
4、隔热层从衬底的上表面向下镶嵌在衬底的中间区域,隔热层的上表面与衬底的上表面处于同一平面,隔热层的热导率小于等于0.1w/(m·k),介质层覆盖在衬底和隔热层的上表面,在介质层上面依次设置有发热电极层、红外发射层,其中红外发射层相对于隔热层两边各缩小一定的距离lc,0.5μm≤lc≤20μm,发热电极焊盘与红外发射层相切并位于红外发射层两侧,且发热电极焊盘主体位于隔热层外侧区域的发热电极层上并与发热电极层形成电连接。
5、作为本发明进一步的改进,隔热层的厚度为0.5-50μm,隔热层采用热导率小于等于0.05w/(m·k)的sio2气凝胶、sic气凝胶、al2o3气凝胶、zro2气凝胶、w2o3气凝胶、fe2o3气凝胶、碳气凝胶和石墨烯气凝胶中的任意一种或多种的混合物。
6、作为本发明进一步的改进,衬底材料为硅、石英和玻璃中的任意一种。
7、作为本发明进一步的改进,介质层采用由氧化硅或氮化硅构成的单一材料或由二者间隔交叠设置构成的多层复合材料。
8、作为本发明进一步的改进,红外发射层由高红外发射率的材料制备而成,高红外发射率的材料为nicr合金、tin、tialn、非晶碳、sic、nio、nicro化合物、zro2、hfo2、la1-xcaxcro3(0≤x≤0.5)以及碳纳米管中的任意一种或多种的混合物。
9、作为本发明进一步的改进,发热电极层的材料采用pt、mo、nicr合金、多晶硅、cu、w、hfb2、ptsi以及sno2中的任意一种。
10、在本发明中,发热电极焊盘采用alsi合金、au、al、nicr合金和niv合金中的任意一种材料制备而成。
11、作为本发明进一步的改进,发热电极层和红外发射层之间还设置有用于阻断二者电传导效应的隔离层;隔离层的材料采用氧化硅、氮化硅和氧化铝中的一种或任意多种的组合。
12、作为本发明进一步的改进,红外光源还设置有保护层,保护层覆盖mem s红外光源上表面中除发热电极焊盘以外的区域;保护层的材料选自氧化硅、氮化硅、氧化铝和氧化铪中的任意一种或多种的组合。
13、一种体结构mems红外光源制造方法,包括以下步骤:
14、(1)提供衬底,在衬底的上表面利用光刻腐蚀技术制备出一个凹坑,凹坑的尺寸根据后续步骤隔热层的尺寸确定;
15、(2)在凹坑中填充热导率小于等于0.1w/(m·k)的材料,形成镶嵌在衬底中间区域的隔热层,对衬底的上表面以及隔热层的上表面进行抛光处理,使得隔热层的上表面与衬底的上表面处于同一平面;
16、(3)在衬底的上表面和隔热层的上表面沉积介质层;
17、(4)在介质层上利用光刻方法制作发热电极层;
18、介质层的作用是在衬底和发热电极层之间形成电绝缘,以及在隔热层与发热电极层之间形成电绝缘;
19、(5)在发热电极层上制作隔离层;
20、(6)在隔离层上制作红外发射层,红外发射层两边相对于隔热层的两边各缩小一定的距离lc,其中0.5μm≤lc≤20μm;
21、(7)利用光刻技术在隔离层两侧制作出发热电极焊盘图形,利用光刻胶掩膜腐蚀去除需制作发热电极焊盘处的隔离层,之后蒸镀发热电极焊盘金属,通过剥离技术形成与红外发射层相切的发热电极焊盘,且发热电极焊盘主体位于隔热层外侧区域的发热电极层上并与发热电极层形成电连接;
22、由于发热电极焊盘与红外发射层相切,因此红外发射层两边相对于隔热层的两边缩小距离lc,就相当于发热电极焊盘从位于隔热层外侧区域的发热电极层上方跨越衬底和隔热层的分界线向红外发射层延伸了距离lc;
23、(8)在步骤(7)所形成结构的上表面沉积保护层,之后利用光刻腐蚀技术去除发热电极焊盘上方的保护层,使保护层覆盖在除发热电极焊盘以外的区域。
24、以上步骤(1)-(8)是制造本发明包含隔离层和保护层的技术方案,在有些无需隔离层或无需保护层或两种都不需要的情况下,只需选择性的去除步骤(5)或步骤(8)或步骤(5)和步骤(8)。
25、本发明提供的技术方案,具有如下有益效果:
26、首先,本发明提供的体结构mems红外光源的最大特点是避免了“悬膜”的形成,这就大大提升了mems红外光源在制造过程和使用过程中的热稳定性和结构强度,从根源上避免了“悬膜”破裂的隐患,因为本发明提供的mems红外光源结构中,使发热电极层、红外发射层等功能层通过隔热层的引入,和衬底融为一体,形成了体结构。而在热传导的控制方面,本发明所设计的隔热层具有非常低的热导率,其热导率和空气相当或者可以比空气更低(空气的热导率为0.026w/(m·k)),这就能达到现有mems红外光源“悬膜”结构一样的热传导控制功能,也就是说可以确保本发明mems红外光源的电光转换效率不低于现有技术mems红外光源的电光转换效率。
27、其次,本发明提供的体结构mems红外光源中,红外发射层两边相对于隔热层的两边各缩小一定的距离lc,同时发热电极焊盘从位于隔热层外侧区域的发热电极层上方跨越衬底和隔热层的分界线向红外发射层延伸了距离lc。为了更加清楚的解释本发明的优点,这里陈述两个本领域技术人员熟知的背景技术,一是发热电极层通常需要控制电阻(常见的为10-100ω),再与其面积相结合(常见的为1-10mm2),则发热电极层的厚度通常较薄,约100nm左右,二是发热电极焊盘的主要功能是将mems红外光源通过引线与外电路连通,其厚度较厚,通常在0.5-5微米范围,电阻远低于发热电阻层,可以忽略不计,在这样的情况下,我们可以得出发热主要在发热电极焊盘内侧的发热电极层中进行,发热电极焊盘底部的发热电极层主要起电连通的作用,也就是说发热主要在红外发射层正下方的发热电极层中。因此,本发明设计的红外发射层两边相对于隔热层的两边各缩小一定的距离lc的结构布局,能够确保发热电极层所发出的热量,不会直接经由衬底散失,而是主要通过隔热层散热(这部分由于隔热层热导率很低,所以比较小)以及通过红外发射层向外辐射红外线(这部分是mems光源的发光部分),这样就能确保整个mems红外光源具有较高的电光转换效率。同时,在本发明提供的体结构mems红外光源中,发热电极层是需要跨越衬底和隔热层的分界线的,由于衬底和隔热层两种材料的差异,以及制造过程中不能完全保证分界线两侧表面的平整度等,可能会出现仅100nm厚度的发热电极层连接不良甚至断裂的风险,而本发明设计将厚度较厚、机械强度更高的发热电极焊盘从位于隔热层外侧区域的发热电极层上方跨越衬底和隔热层的分界线向红外发射层延伸了距离lc,这样就相当于增强了衬底和隔热层的分界线附近区域发热电极层的强度,即使发热电极层在分界线处出现断裂,也由发热电极焊盘确保了电连接的稳定性,从而确保mems光源不出现问题。同时将距离lc限定在一个合理的范围,即0.5μm≤lc≤20μm,如果太大则会牺牲发热面积和红外辐射面积,降低mems光源的有效发光面积;如果太小,则无法解决衬底和隔热层的分界线可能对发热电极层造成的不良影响。
28、再次,发热电极焊盘主体位于隔热层外侧区域的发热电极层上的结构设计可以确保发热电极焊盘上的热量可以顺利的通过衬底传导散失,不至于使发热焊盘温度过高而影响mems红外光源与外电路连接的可靠性。同时,隔热层采用热导率小于等于0.05w/(m·k)的sio2气凝胶、sic气凝胶、al2o3气凝胶、zro2气凝胶、w2o3气凝胶、fe2o3气凝胶、碳气凝胶、石墨烯气凝胶中的任意一种或多种的混合物,一方面可以确保良好的隔热效果,另一方面隔热层所采用的隔热材料为无机类气凝胶,可以耐受mems红外光源工作时的高达600-800℃的高温,保证了mems红外光源的热稳定性和可靠性。
29、总之,本发明提供的体结构mems红外光源在不牺牲电光转换效率的情况下,具有很强的热稳定性和结构强度;器件的寿命和各项耐候性能也得到了增强。相对传统器件而言,该器件具有非常突出的性能优势,适合进行大规模的商用推广。
技术研发人员:刘军林,吕全江,侯海港,刘桂武,乔冠军
技术所有人:江苏大学
备 注:该技术已申请专利,仅供学习研究,如用于商业用途,请联系技术所有人。
声 明 :此信息收集于网络,如果你是此专利的发明人不想本网站收录此信息请联系我们,我们会在第一时间删除
