一种电动汽车配件检测仪器的制造方法
【专利摘要】本实用新型涉及一种电动汽车配件检测仪器,包括移动防护板,所述移动防护板的两侧对称设有防护板,所述防护板之间安装有控制箱,所述控制箱的上端安装有各类检测传感器套,所述各类检测传感器套的中部安装有距离传感器套,所述移动防护板的下端安装有底盒,所述底盒上安装有侧传感器套,所述控制箱内设有分隔区,所述分隔区之间设有多孔隔板,所述控制箱的下端安装有布线盒。本实用新型通过设置防护板和控制箱有助于传感器防护及提供测控部件安装空间,通过设置各类检测传感器套、距离传感器套和侧传感器套有助于安装不同规格的传感器并实现不同位置检测功能,且结构简单,操作方便,经济实用。
【专利说明】
一种电动汽车配件检测仪器
技术领域
[0001]本实用新型涉及汽车辅助器械设计技术领域,尤其涉及一种电动汽车配件检测仪器。
【背景技术】
[0002]汽车配件是构成汽车整体的各个单元及服务于汽车的一种产品。随着汽车配件加工市场竞争的日趋激烈,环保理念的深入人心,以及技术的不断升级和应用,国际汽车配件加工零部件行业近年来呈现出如下发展特征:汽车配件加工系统配套、模块化供应趋势方兴未艾;汽车配件加工采购全球化;汽车配件加工产业转移速度加快。汽车配件的种类繁多,现如今汽车的品牌越来越多,汽车的类型也越来越多。汽车可以分为乘用车与商用车两种,其中乘用车指的是车辆座位少于九坐(含驾驶员位),以载客为主要目的的车辆。然而,现有的电动汽车配件检测仪器上缺少有助于传感器防护及提供测控部件安装空间的装置,有些电动汽车配件检测仪器上缺少有助于安装不同规格的传感器并实现不同位置检测功能的装置,不能满足实际情况的需求。
【实用新型内容】
[0003]本实用新型的目的是为了克服现有技术的不足,提供了一种电动汽车配件检测仪器。
[0004]本实用新型是通过以下技术方案实现:
[0005]—种电动汽车配件检测仪器,包括移动防护板,所述移动防护板的两侧对称设有防护板,所述防护板之间安装有控制箱,所述控制箱的上端安装有各类检测传感器套,所述各类检测传感器套的中部安装有距离传感器套,所述移动防护板的下端安装有底盒,所述底盒上安装有侧传感器套。
[0006]作为本实用新型的优选技术方案,所述控制箱内设有分隔区,所述分隔区之间设有多孔隔板,所述控制箱的下端安装有布线盒,所述布线盒内安装有穿线管。
[0007]作为本实用新型的优选技术方案,所述各类检测传感器套内设有螺纹,所述螺纹为细牙螺纹。
[0008]作为本实用新型的优选技术方案,所述各类检测传感器套、距离传感器套与侧传感器套内均设有插口,所述插口上安装有调固螺钉。
[0009]现场使用时,操作人员首先将装置整体移动到合适位置,再将装置整体固定,其次,通过各类检测传感器套、距离传感器套和侧传感器套安装不同规格的传感器,最后,通过防护板和控制箱防护传感器及安装测控部件,即可进行电动汽车配件检测工作。
[0010]与现有的技术相比,本实用新型的有益效果是:本实用新型通过设置防护板和控制箱有助于传感器防护及提供测控部件安装空间,通过设置各类检测传感器套、距离传感器套和侧传感器套有助于安装不同规格的传感器并实现不同位置检测功能,且结构简单,操作方便,经济实用。
【附图说明】

[0011]图1为本实用新型的结构示意图。
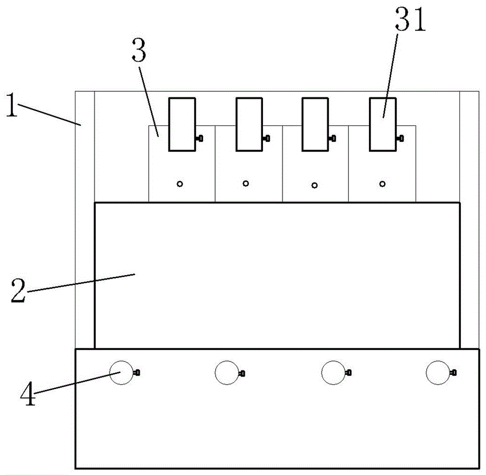
[0012]图中:1、防护板;2、控制箱;3、各类检测传感器套;31、距离传感器套;4、侧传感器套。
【具体实施方式】
[0013]为了使本实用新型的目的、技术方案及优点更加清楚明白,以下结合附图及实施例,对本实用新型进行进一步详细说明。应当理解,此处所描述的具体实施例仅仅用以解释本实用新型,并不用于限定本实用新型。
[0014]请参阅图1,图1为本实用新型的结构示意图。
[0015]所述一种电动汽车配件检测仪器,包括移动防护板,所述移动防护板的两侧对称设有防护板1,所述防护板I之间安装有控制箱2,所述控制箱2内设有分隔区,所述分隔区之间设有多孔隔板,防护板I和控制箱2有助于传感器防护及提供测控部件安装空间,所述控制箱2的下端安装有布线盒,所述布线盒内安装有穿线管,所述控制箱2的上端安装有各类检测传感器套3。
[0016]所述各类检测传感器套3内设有螺纹,所述螺纹为细牙螺纹,所述各类检测传感器套3的中部安装有距离传感器套31,各类检测传感器套3、距离传感器套31和侧传感器套4有助于安装不同规格的传感器并实现不同位置检测功能,所述各类检测传感器套3、距离传感器套31与侧传感器套4内均设有插口,所述插口上安装有调固螺钉,所述移动防护板的下端安装有底盒,所述底盒上安装有侧传感器套4。
[0017]现场使用时,操作人员首先将装置整体移动到合适位置,再将装置整体固定,其次,通过各类检测传感器套3、距离传感器套31和侧传感器套4安装不同规格的传感器,最后,通过防护板I和控制箱2防护传感器及安装测控部件,即可进行电动汽车配件检测工作。
[0018]以上所述仅为本实用新型的较佳实施例而已,并不用以限制本实用新型,凡在本实用新型的精神和原则之内所作的任何修改、等同替换和改进等,均应包含在本实用新型的保护范围之内。
【主权项】
1.一种电动汽车配件检测仪器,其特征在于:包括移动防护板,所述移动防护板的两侧对称设有防护板(1),所述防护板(I)之间安装有控制箱(2),所述控制箱(2)的上端安装有各类检测传感器套(3),所述各类检测传感器套(3)的中部安装有距离传感器套(31),所述移动防护板的下端安装有底盒,所述底盒上安装有侧传感器套(4)。2.根据权利要求1所述的一种电动汽车配件检测仪器,其特征在于:所述控制箱(2)内设有分隔区,所述分隔区之间设有多孔隔板,所述控制箱(2)的下端安装有布线盒,所述布线盒内安装有穿线管。3.根据权利要求1所述的一种电动汽车配件检测仪器,其特征在于:所述各类检测传感器套(3 )内设有螺纹,所述螺纹为细牙螺纹。4.根据权利要求1所述的一种电动汽车配件检测仪器,其特征在于:所述各类检测传感器套(3)、距离传感器套(31)与侧传感器套(4)内均设有插口,所述插口上安装有调固螺钉。
【文档编号】G01M17/007GK205719565SQ201620342898
【公开日】2016年11月23日
【申请日】2016年4月22日
【发明人】刘玉敏
【申请人】刘玉敏
文档序号 :
【 55516 】
技术研发人员:刘玉敏
技术所有人:刘玉敏
备 注:该技术已申请专利,仅供学习研究,如用于商业用途,请联系技术所有人。
声 明 :此信息收集于网络,如果你是此专利的发明人不想本网站收录此信息请联系我们,我们会在第一时间删除
技术研发人员:刘玉敏
技术所有人:刘玉敏
备 注:该技术已申请专利,仅供学习研究,如用于商业用途,请联系技术所有人。
声 明 :此信息收集于网络,如果你是此专利的发明人不想本网站收录此信息请联系我们,我们会在第一时间删除
