一种一体化AAO污水净化设备的制作方法

本实用新型涉及污水处理领域,更具体地,涉及一种一体化AAO污水净化设备。
背景技术:
目前,我国污水处理率仍然较低,大部分不经任何处理就排入周边的水体,造成地表和地下水源严重污染。在大力建设城市污水集中处理厂的同时,对城市排水管网不能或难以达到的居民区、旅游景点、小城镇以及工业企业等排放的污水的处理也不可忽视。对于这些地区,由于远离城区、缺乏专业管理人员等,开发管理简便、性能稳定、处理效果好的紧凑型污水处理工艺及装置具有广阔的发展前景和推广空间。脱氮除磷是污水处理工艺与装置研发的重要考虑因素,常见的脱氮除磷工艺往往具有效率低下,基建和管路设备投资多,占地面积大,运行费用高等特点。
技术实现要素:
本实用新型提供一种一体化AAO污水净化设备,该设备占地面积小、脱氮除磷效果好。
为了达到上述技术效果,本实用新型的技术方案如下:
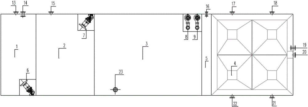
一种一体化AAO污水净化设备,包括厌氧池、缺氧池,好氧池、污泥池;厌氧池中部设置有过水孔与缺氧池连通,缺氧池底部设置有过水孔与好氧池连通,好氧池包括布水区,布水区底部开设有过水孔与污泥池连通;好氧池中设置有污泥泵通过设置在污泥池的吸泥管与污泥池连接;布水区中开设有用于排出污泥的排泥口;好氧池顶部开设有进气口。
进一步地,所述厌氧池中设置有第一搅拌机,厌氧池壁上开设有第一虹吸排空口、进水口。
进一步地,所述缺氧池中设置有第二搅拌机,缺氧池壁上开设有第二虹吸排空口,缺氧池种布设有用于去污的组合填料。
进一步地,所述好氧池中还设置有污水回流泵和用于去污的组合填料。
进一步地,所述污泥池中还设置有过滤系统、斜管填料,污泥池壁上开设有气洗口、出水口,污泥池底部开设有若干第三虹吸排空口。
进一步地,该设备外壁上均匀的设置有若干用于搬运该装置的起吊挂钩。
进一步地,该装置采用地上式、半地埋、全地埋一体化钢结构或钢混结构。
与现有技术相比,本实用新型技术方案的有益效果是:
本实用新型设备通过设置厌氧池、缺氧池,好氧池、污泥池;厌氧池中部设置有过水孔与缺氧池连通,缺氧池底部设置有过水孔与好氧池连通,好氧池包括布水区,布水区底部开设有过水孔与污泥池连通;好氧池中设置有污泥泵通过设置在污泥池的吸泥管与污泥池连接;布水区中开设有用于排出污泥的排泥口;好氧池顶部开设有进气口;整个在设备一体化处理,污水已经经过各个池进行处理排出符合国标的废水,实现了占地面积小,脱氮除磷的功效。
附图说明
图1-2为本实用新型设备的结构图;
图3为本实用新型污泥池的结构图。
具体实施方式
附图仅用于示例性说明,不能理解为对本专利的限制;
为了更好说明本实施例,附图某些部件会有省略、放大或缩小,并不代表实际产品的尺寸;
对于本领域技术人员来说,附图中某些公知结构及其说明可能省略是可以理解的。
下面结合附图和实施例对本实用新型的技术方案做进一步的说明。
实施例1
如图1-3所示,一种一体化AAO污水净化设备,包括厌氧池1、缺氧池2,好氧池3、污泥池4;厌氧池1中部设置有过水孔与缺氧池2连通,缺氧池2底部设置有过水孔与好氧池3连通,好氧池3包括布水区5,布水区5底部开设有过水孔与污泥池4连通;好氧池3中设置有污泥泵9通过设置在污泥池4的吸泥管25与污泥池4连接;布水区5中开设有用于排出污泥的排泥口16;好氧池3顶部开设有进气口23。
厌氧池1中设置有第一搅拌机6,厌氧池1壁上开设有第一虹吸排空口13、进水口14。
缺氧池2中设置有第二搅拌机7,缺氧池1壁上开设有第二虹吸排空口15,缺氧池2种布设有用于去污的组合填料10。
好氧池3中还设置有污水回流泵8和用于去污的组合填料10。
污泥池4中还设置有过滤系统12、斜管填料11,污泥池4壁上开设有气洗口19、出水口20,污泥池4底部开设有若干第三虹吸排空口。
该设备外壁上均匀的设置有若干用于搬运该装置的起吊挂钩24。
该装置采用地上式、半地埋、全地埋一体化钢结构或钢混结构。
本设备的工作过程包括以下步骤:
S1:将污水泵入厌氧池1,设置厌氧反应时间t1;
S2:厌氧反应后的污水进入缺氧池2,设置缺氧反应时间t2;
S3:缺氧反应后的污水进入好氧池3,从进气口23往好氧池3送风,设置好氧反应时间t3;
S4:好氧反应后的污水进入污泥池4,经过过滤系统12过滤、斜管填料11去污后,污泥沉积在池底,污泥泵9通过吸泥管25将污泥池4底的污泥从布水区5中的排泥口16排出;
S5:打开污水回流泵8将污泥池4的污水泵入好氧池3重复进行步骤S4的工序。
厌氧反应时间t1为1-3小时,缺氧反应时间t2为1-3小时,好氧反应时间t3为5-8小时。
从进气口23往好氧池3送风的风量是5.55m3/min,污泥泵9通过吸泥管(25)将污泥池4底的污泥的污泥回流比为50~100%,污水回流泵8将污泥池4的污水泵入好氧池3的混合液回流比为200%。
实施例2
利用该设备,以某市辖某农村生活污水作为实验对象:农村生活污水1000m3/d,设计进水水质:CODCr=200mg/L,BOD5=130mg/L,SS=150mg/L,TP=3.5mg/L,氨氮=25mg/L,总氮=30mg/L,pH=6-9。污水经过集水池等预处理后流入该一体化装置。设计厌氧池停留时间为2.0h,设计缺氧池停留时间为2.0h,设计好氧池停留时间为6.0h,气水比为8:1,风量为5.55m3/min,污泥回流比为50~100%,混合液回流比为200%。经试运行一个月,实施例2的最终出水中CODCr<40mg/L,BOD5<10mg/L,SS<10mg/L,TP<0.5mg/L,氨氮<5mg/L,总氮<15mg/L,pH=6-9,达到了国家《城镇污水处理厂污染物排放标准》(GB18918-2002)中的一级A标准。
相同或相似的标号对应相同或相似的部件;
附图中描述位置关系的用于仅用于示例性说明,不能理解为对本专利的限制;
显然,本实用新型的上述实施例仅仅是为清楚地说明本实用新型所作的举例,而并非是对本实用新型的实施方式的限定。对于所属领域的普通技术人员来说,在上述说明的基础上还可以做出其它不同形式的变化或变动。这里无需也无法对所有的实施方式予以穷举。凡在本实用新型的精神和原则之内所作的任何修改、等同替换和改进等,均应包含在本实用新型权利要求的保护范围之内。
技术研发人员:谢永新,曹姝文,干仕伟,黄子逸,许家敏,阳重阳,惠天翔,王革,候伟河
技术所有人:广州市环境保护工程设计院有限公司
备 注:该技术已申请专利,仅供学习研究,如用于商业用途,请联系技术所有人。
声 明 :此信息收集于网络,如果你是此专利的发明人不想本网站收录此信息请联系我们,我们会在第一时间删除
