一种基于PID控制的电声耦合消声装置及方法

本发明涉及声学研究与噪声控制领域,特别是涉及一种基于pid控制的电声耦合消声装置及方法。
背景技术:
1、声阻抗边界是声传播的重要影响因素之一。在管道噪声领域,通过在声传播途径上造成阻抗失配可以有效抑制低频噪声的传播;在吸声领域,通过设计与介质特性阻抗匹配的声阻抗边界可以抑制表面声波的反射。随着人们对声传播和噪声抑制的研究逐渐深入,各种复杂且要求严苛的边界条件被引入到研究和工程应用中,声阻抗表面的构建已经成为声学研究中的重点课题之一,因此需要一种具有阻抗可调范围大且结构相对简单的声阻抗表面。
2、在声学研究与噪声控制领域,声学阻抗表面大致可分为五种,分别为抗式边界、阻性边界、阻抗复合式边界、声学超表面和电声耦合式阻抗表面。
3、第一类抗式边界一般是通过在边界构建如亥姆霍兹共振器、1/4波长共振器、薄膜共振结构和穿孔板等抗式结构,并将不同固有特性的抗式阻抗边界进行组合。利用抗式结构难以实现紧凑且有效的阻抗表面,例如薄膜共振结构和穿孔板吸声结构等共振式吸声结构形成的声阻抗表面,仅在系统的共振频率周围具有较大的吸声效果。
4、第二类阻性边界一般是通过像玻璃棉、泡沫塑料等多孔吸声材料,通过黏滞作用将空气的动能不断转化为热能,从而实现对噪声的声吸收,像吸声尖劈这样的阻性吸声结构。阻性边界是通过多孔材料的粘滞作用来吸声,对于低频的声波吸声效果较差。为了实现对低频段的声吸收,其吸声结构的尺寸一般需要很大。
5、第三类阻抗复合式边界一般通过将抗式结构和多孔材料联合使用,构成另外一类阻抗边界——阻抗复合式的吸声结构,这种结构对低频到高频段均有较好的效果。阻抗复合式边界其实际性能同样受到安装空间的限制。除此之外,像含有微穿孔板的吸声结构的加工成本较高,并且在实际应用中,微穿孔板的清理也比较困难。
6、第四类是基于波导或局域共振模型的声学超表面,通过在较小尺度的范围内构建出微型的声学单元并将其周期性排列,在较宽的频段范围内实现较好的吸声效果。声学超表面由于声学单元的结构复杂且尺寸小,常规的加工手段无法满足声学超表面的加工需求,因此时间成本和造价都比较高。
7、第五类电声耦合式阻抗表面是一种通过电声换能器与后端的分流电路构建的阻抗边界,中国公开专利cn107786926a描述了一种由扬声器单元和分流电路构成的具有多个单频吸声效果的薄型吸声结构。基于分流电路的电声耦合阻抗表面,由于模拟电路的器件特性与理论值存在一定误差,会影响阻抗边界的实际精度,同时还会导致系统不稳定,并且改变表面的声阻抗需要对分流电路的元器件进行调节,不方便对阻抗表面的特性进行调节。
8、现有技术基于分流电路的电声耦合阻抗表面的消声方式单纯使用模拟电路误差较大,且阻抗表面的特性进行硬件调节不方便。
技术实现思路
1、本发明的目的是提供一种基于pid控制的电声耦合消声装置及方法,可提高阻抗边界的精度,且可以通过pid算法进行参数调整,实现较大范围内的阻抗调节,不需要对硬件结构进行改动。
2、为实现上述目的,本发明提供了如下方案:
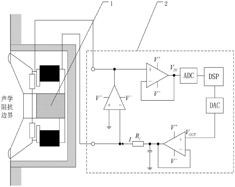
3、一种基于pid控制的电声耦合消声装置,所述装置包括:扬声器、电压采集电路、信号处理电路和电流输出电路;
4、所述扬声器的正极与所述电压采集电路的输入端连接;所述电压采集电路用于采集所述扬声器的输出电压,并将采集的所述扬声器的输出电压转换为数字量,得到数字量的第n时刻的扬声器的输出电压;
5、所述信号处理电路的输入端与所述电压采集电路的输出端连接,所述信号处理电路的输出端与所述电流输出电路的输入端连接;所述信号处理电路用于基于数字量的第n时刻的扬声器的输出电压、第n-1时刻的输出电流、所述扬声器的音圈的直流电阻和所述扬声器的音圈的电感计算得到所述扬声器的第n时刻的电势差,基于所述扬声器的第n时刻的电势差通过pid控制得到数字量的第n时刻的输出电压,并将数字量的第n时刻的输出电压转换为模拟量的第n时刻的输出电压;
6、所述电流输出电路的输出端与扬声器的负极连接。
7、可选的,所述电流输出电路具体包括:电压跟随器2e和输出电阻2g;
8、所述电压跟随器2e的正向输入端与所述信号处理电路的输出端连接;
9、所述电压跟随器2e的反向输入端分别与所述电压跟随器2e的输出端和所述输出电阻2g的一端连接;
10、所述输出电阻2g的另一端与所述扬声器的负极连接。
11、可选的,所述电流输出电路还包括:功率运算放大器2h;
12、所述功率运算放大器2h的反向输入端分别与所述扬声器的负极和所述输出电阻2g的另一端连接,所述功率运算放大器2h的正向输入端接地,所述功率运算放大器2h的输出端分别与所述扬声器的正极和所述电压采集电路的输入端连接。
13、可选的,所述电流输出电路还包括:缓冲电容2f;
14、所述缓冲电容2f的一端分别与所述电压跟随器2e的输出端、所述电压跟随器2e的反向输入端和所述输出电阻2g的一端连接;所述缓冲电容2f的另一端接地。
15、可选的,所述电压采集电路具体包括:电压跟随器2a和模数转换器2b;
16、所述电压跟随器2a的正向输入端与所述电流输出电路的输出端连接,所述电压跟随器2a的反向输入端分别与所述电压跟随器2a的输出端和所述数模转换器2d的一端连接;
17、所述数模转换器2d的另一端与所述信号处理电路的输入端连接。
18、可选的,所述信号处理电路具体包括:数字信号处理器2c和数模转换器2d;
19、所述数字信号处理器2c的一端与所述电压采集电路的输出端连接;所述数字信号处理器2c的另一端与所述数模转换器2d一端连接;
20、所述数模转换器2d的另一端与所述电流输出电路的输入端连接。
21、一种基于pid控制的电声耦合消声方法,所述方法应用以上所述的装置,所述方法包括:
22、获取第n时刻的扬声器的输出电压;
23、基于数字量的第n时刻的扬声器的输出电压、第n-1时刻的输出电流、扬声器的音圈的直流电阻和扬声器的音圈的电感计算得到扬声器的第n时刻的电势差;
24、基于扬声器的第n时刻的电势差计算扬声器的振膜的第n时刻的振速;
25、基于第n时刻的振速通过pid控制计算扬声器的振膜的第n时刻的机械力;
26、对扬声器的振膜的第n时刻的机械力取反,得到抵消扬声器的振膜的第n时刻的机械力的第n时刻的抵消力;
27、基于第n时刻的抵消力计算得到第n时刻的输出电压。
28、可选的,所述扬声器的第n时刻的电势差如下:
29、eb,n=vin,n-rein-1-leddtin-1;
30、式中,eb,n为扬声器的第n时刻的电势差,vin,n为第n时刻的扬声器的输出电压,re为扬声器的音圈的直流电阻,le为扬声器的音圈的电感,in-1为第n-1时刻的电流。
31、可选的,所述扬声器的振膜的第n时刻的机械力fs,n的计算公式如下:
32、
33、其中,fs,n为扬声器的振膜的第n时刻的机械力,ms为质量参数,rs为阻尼参数,ks为刚度参数,vs,n为扬声器的振膜的第n时刻的振速。
34、可选的,在零阻抗边界时,ms=mspeaker,rs=rspeaker,ks=kspeaker+kbackcavity。
35、根据本发明提供的具体实施例,本发明公开了以下技术效果:
36、本发明通过数字电路和模拟电路混合代替纯模拟电路,并通过pid算法对扬声器的振膜运动产生的电压进行处理,输出电流至扬声器,提高了阻抗边界的精度,且可以通过pid算法进行参数调整,实现较大范围内的阻抗调节,不需要对硬件结构进行改动。
技术研发人员:赵晓臣,张世祺,张新玉,国杰,曹贻鹏,刘晨,杨洁
技术所有人:哈尔滨工程大学
备 注:该技术已申请专利,仅供学习研究,如用于商业用途,请联系技术所有人。
声 明 :此信息收集于网络,如果你是此专利的发明人不想本网站收录此信息请联系我们,我们会在第一时间删除